LEMON Manuals: Even more car manuals for everyone
Home >> Lexus >> 2007 >> IS 350 >> Repair and Diagnosis >> Engine Performance >> System >> Engine Control System (2GR-FSE) - SFI System Diagnostic And Troubleshooting Introductions, Diagnostic Trouble Code Chart >> SFI System >> System Diagram

System Diagram

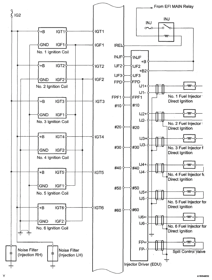
Fig 1: SFI System Diagram (1 Of 5)
G05285015Courtesy of © TOYOTA, LICENSE AGREEMENT TMS1002
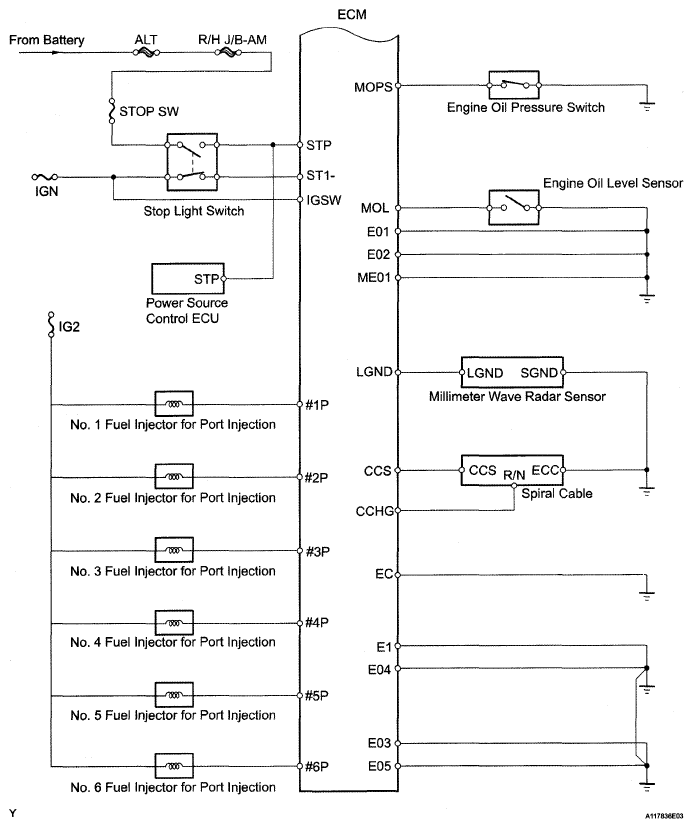
Fig 2: SFI System Diagram (2 Of 5)
G05315871Courtesy of © TOYOTA, LICENSE AGREEMENT TMS1002
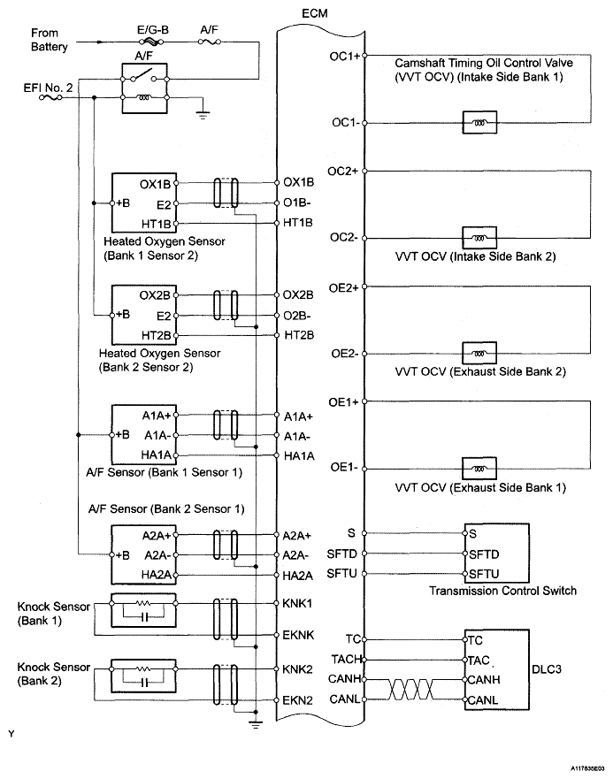
Fig 3: SFI System Diagram (3 Of 5)
G05315872Courtesy of © TOYOTA, LICENSE AGREEMENT TMS1002
Fig 4: SFI System Diagram (4 Of 5)
G05315873Courtesy of © TOYOTA, LICENSE AGREEMENT TMS1002
Fig 5: SFI System Diagram (5 Of 5)
G05315874Courtesy of © TOYOTA, LICENSE AGREEMENT TMS1002