LEMON Manuals: Even more car manuals for everyone
Home >> Lexus >> 2007 >> IS 350 >> Repair and Diagnosis >> Body & Frame >> Windows >> Windshield/Window Glass >> Window Defogger System >> System Diagram

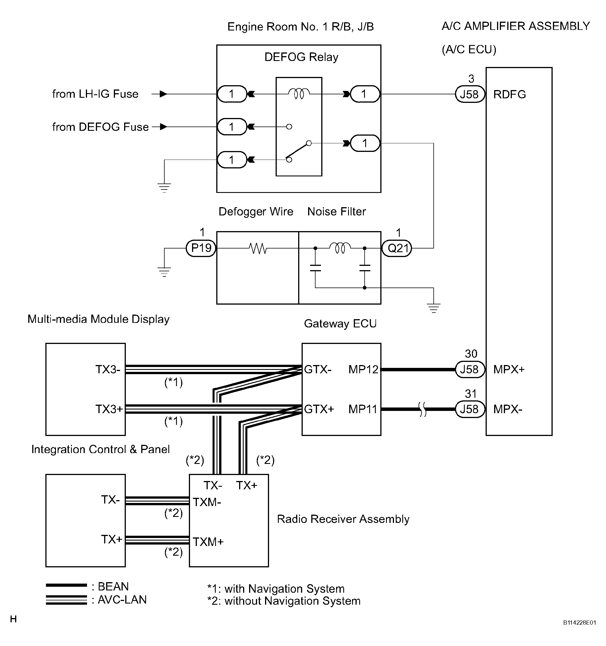
System Diagram

Fig 1: Identifying Window Defogger System Diagram
G04050783Courtesy of © TOYOTA, LICENSE AGREEMENT TMS1002