LEMON Manuals: Even more car manuals for everyone
Home >> Lexus >> 2007 >> IS 250 AWD >> Repair and Diagnosis (Single Page) >> Engine Performance >> System >> Engine Control System (4GR-FSE) - SFI System Diagnostics Introduction, Precautions, Fail-Safe Chart, Diagnostic Trouble Code Chart >> SFI System >> System Diagram

System Diagram

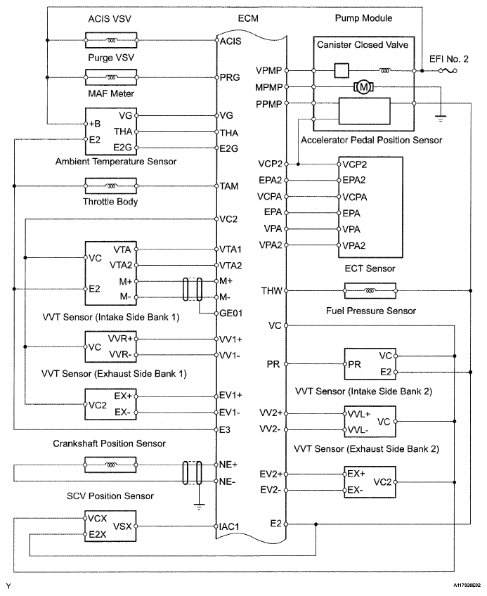
Fig 1: Engine Control System Diagram (1 Of 5)
G05316291Courtesy of © TOYOTA, LICENSE AGREEMENT TMS1002
Fig 2: Engine Control System Diagram (2 Of 5)
G05316292Courtesy of © TOYOTA, LICENSE AGREEMENT TMS1002
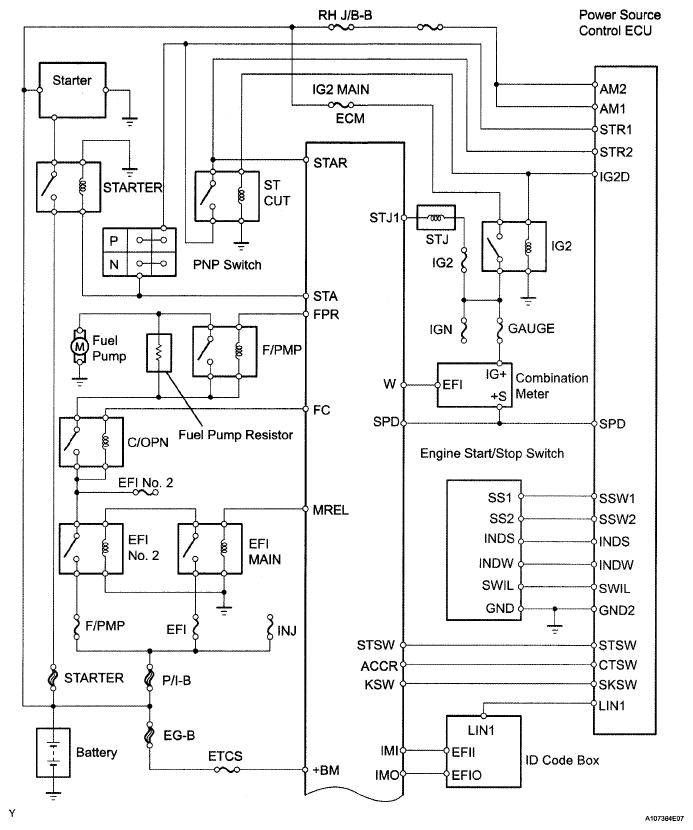
Fig 3: Engine Control System Diagram (3 Of 5)
G05316293Courtesy of © TOYOTA, LICENSE AGREEMENT TMS1002
Fig 4: Engine Control System Diagram (4 Of 5)
G05316294Courtesy of © TOYOTA, LICENSE AGREEMENT TMS1002
Fig 5: Engine Control System Diagram (5 Of 5)
G05316295Courtesy of © TOYOTA, LICENSE AGREEMENT TMS1002