LEMON Manuals: Even more car manuals for everyone
Home >> Lexus >> 2007 >> IS 250 AWD >> Repair and Diagnosis (Single Page) >> Electrical >> Starter >> Starting (4GR-FSE) >> Smart Access System With Push-Button Start >> Power Source Mode does not Change >> Description

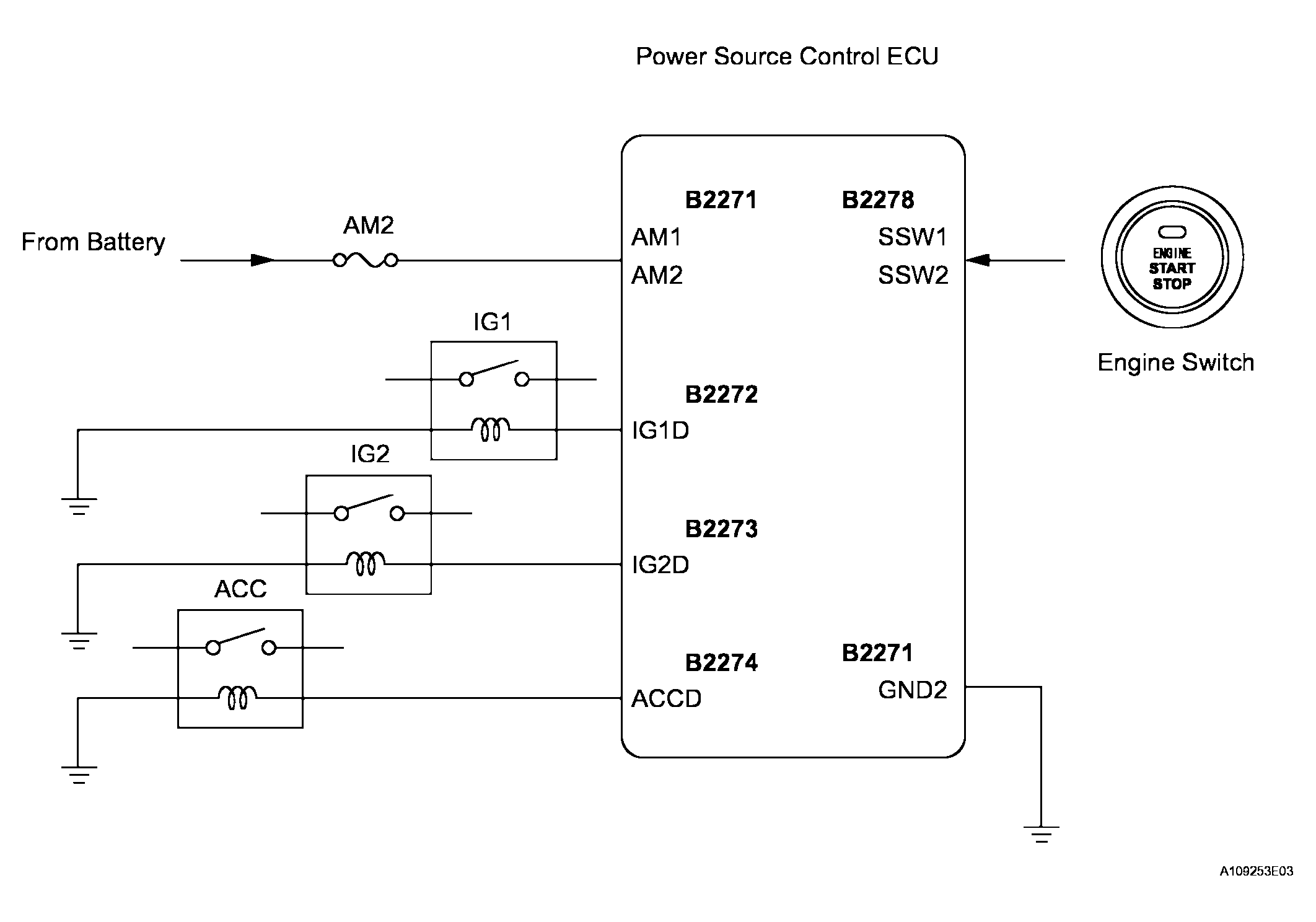
Power Source Mode does not Change: Description

If the certification ECU detects the key inside the vehicle when the shift lever position is P (A/T) and the brake pedal (A/T) or the clutch pedal (M/T) is not depressed, each press of the engine switch changes the power source mode in the following order: off, on (ACC), on (IG), off. If one of the DTCs shown in Figure is detected, correct the DTCs according to the DIAGNOSTIC TROUBLE CODE TABLE . If the power source mode is still malfunctioning, one of the following may have occurred: 1) the MPX circuit has a malfunction, 2) the certification ECU has determined that the electrical key is not inside the vehicle, 3) the engine switch has a malfunction, or 4) the power source control ECU has a malfunction.