LEMON Manuals: Even more car manuals for everyone
Home >> Lexus >> 2007 >> IS 250 AWD >> Repair and Diagnosis (Single Page) >> Electrical >> Body Electrical >> OEM System Circuits >> Multiplex Communication System - BEAN >> Notes

Multiplex Communication System - BEAN: Notes

Fig 1: Multiplex Communication System - BEAN - Wiring Diagram (1 Of 3)
G08918392Courtesy of © TOYOTA, LICENSE AGREEMENT TMS1002
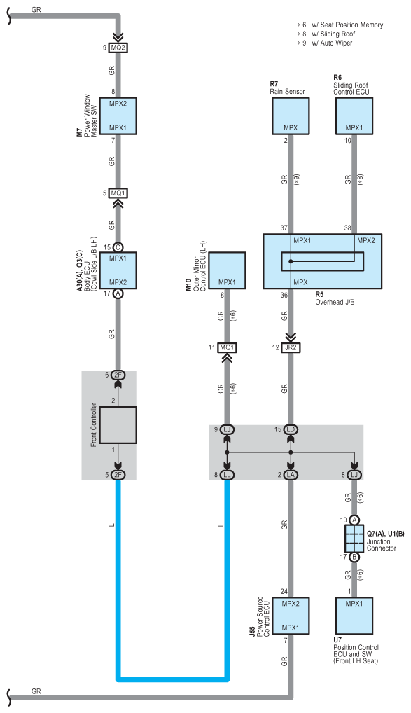
Fig 2: Multiplex Communication System - BEAN - Wiring Diagram (2 Of 3)
G08918393Courtesy of © TOYOTA, LICENSE AGREEMENT TMS1002
Fig 3: Multiplex Communication System - BEAN - Wiring Diagram (3 Of 3)
G08918394Courtesy of © TOYOTA, LICENSE AGREEMENT TMS1002