LEMON Manuals: Even more car manuals for everyone
Home >> Lexus >> 2007 >> IS 250 AWD >> Repair and Diagnosis (Single Page) >> Electrical >> Body Electrical >> OEM System Circuits >> Adaptive Front-Lighting System >> Notes

Adaptive Front-Lighting System: Notes

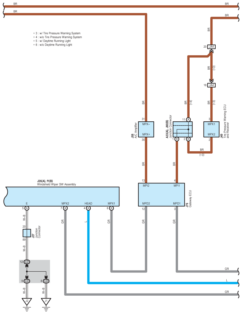
Fig 1: Adaptive Front-Lighting System - Wiring Diagram (1 Of 7)
G08918452Courtesy of © TOYOTA, LICENSE AGREEMENT TMS1002
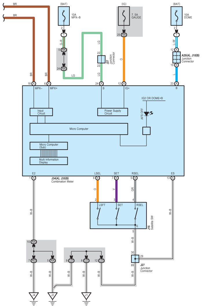
Fig 2: Adaptive Front-Lighting System - Wiring Diagram (2 Of 7)
G08918453Courtesy of © TOYOTA, LICENSE AGREEMENT TMS1002
Fig 3: Adaptive Front-Lighting System - Wiring Diagram (3 Of 7)
G08918454Courtesy of © TOYOTA, LICENSE AGREEMENT TMS1002
Fig 4: Adaptive Front-Lighting System - Wiring Diagram (4 Of 7)
G08918455Courtesy of © TOYOTA, LICENSE AGREEMENT TMS1002
Fig 5: Adaptive Front-Lighting System - Wiring Diagram (5 Of 7)
G08918456Courtesy of © TOYOTA, LICENSE AGREEMENT TMS1002
Fig 6: Adaptive Front-Lighting System - Wiring Diagram (6 Of 7)
G08918457Courtesy of © TOYOTA, LICENSE AGREEMENT TMS1002
Fig 7: Adaptive Front-Lighting System - Wiring Diagram (7 Of 7)
G08918458Courtesy of © TOYOTA, LICENSE AGREEMENT TMS1002