LEMON Manuals: Even more car manuals for everyone
Home >> Lexus >> 2007 >> GX 470 >> Repair and Diagnosis >> Engine Performance >> System >> Engine Control System - System And Circuit Testing, On-Vehicle Inspection, Removal, Inspection, Installation >> IACV Control Circuit >> Wiring Diagram

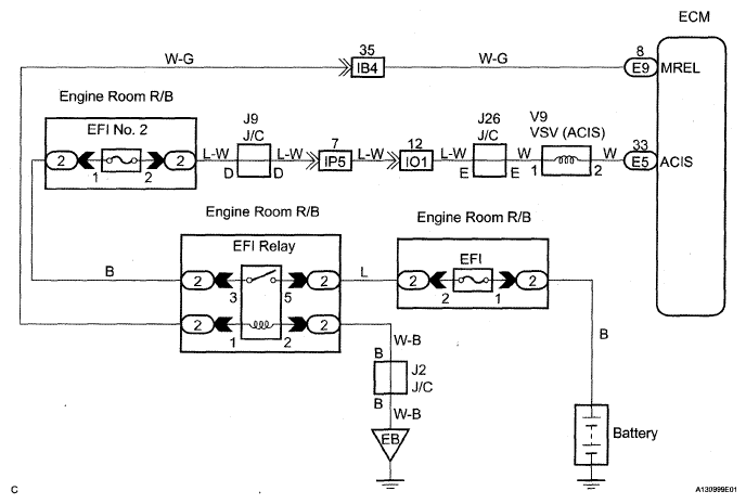
IACV Control Circuit: Wiring Diagram

Fig 1: Identifying IACV Control Wiring Diagram
G05264299Courtesy of TOYOTA MOTOR SALES, U.S.A., INC.