LEMON Manuals: Even more car manuals for everyone
Home >> Lexus >> 2007 >> GS 450h >> Repair and Diagnosis >> Engine Performance >> System >> Engine Control System - Component And System Testing, On-Vehicle Inspection, Removal, Inspection & Installation >> VC Output Circuit >> Wiring Diagram

VC Output Circuit: Wiring Diagram

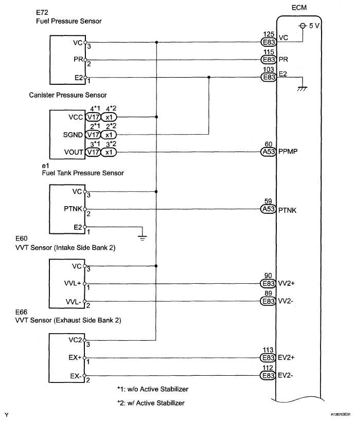
Fig 1: Fuel Pressure Sensor And ECM - Wiring Diagram (1 Of 2)
G05302503Courtesy of © TOYOTA, LICENSE AGREEMENT TMS1002
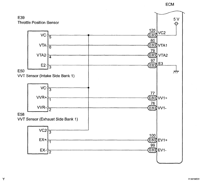
Fig 2: Fuel Pressure Sensor And ECM - Wiring Diagram (2 Of 2)
G05302504Courtesy of © TOYOTA, LICENSE AGREEMENT TMS1002