LEMON Manuals: Even more car manuals for everyone
Home >> Lexus >> 2007 >> GS 450h >> Repair and Diagnosis >> Engine Performance >> System >> Engine Control System - Component And System Testing, On-Vehicle Inspection, Removal, Inspection & Installation >> EVAP System >> Wiring Diagram

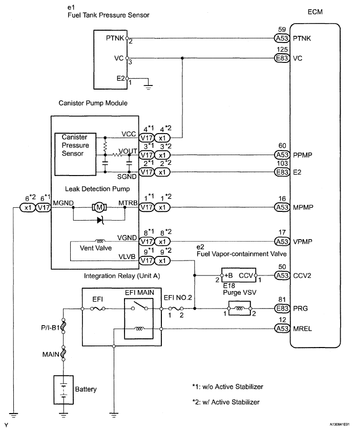
EVAP System: Wiring Diagram

Fig 1: EVAP System - Wiring Diagram
G05302405Courtesy of © TOYOTA, LICENSE AGREEMENT TMS1002