LEMON Manuals: Even more car manuals for everyone
Home >> Lexus >> 2007 >> GS 430 >> Repair and Diagnosis >> Engine Performance >> Engine Control System (3UZ-FE) >> SFI System >> ECM Power Source Circuit >> Wiring Diagram

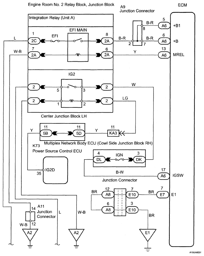
ECM Power Source Circuit: Wiring Diagram

Fig 1: ECM Power Source Circuit - Wiring Diagram (1 Of 2)
G05285709Courtesy of © TOYOTA, LICENSE AGREEMENT TMS1002
Fig 2: ECM Power Source Circuit - Wiring Diagram (2 Of 2)
G05285710Courtesy of © TOYOTA, LICENSE AGREEMENT TMS1002