LEMON Manuals: Even more car manuals for everyone
Home >> Lexus >> 2007 >> GS 430 >> Repair and Diagnosis >> Body & Frame >> Windows >> Windshield/WINDOWGLASS >> Power Window Control System >> Rear Power Window RH Auto Up / Down Function does not Operate with Rear Power Window Switch RH >> Wiring Diagram

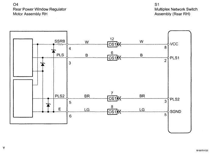
Rear Power Window RH Auto Up / Down Function does not Operate with Rear Power Window Switch RH: Wiring Diagram

Fig 1: Rear Power Window RH Auto Up / Down Function Does Not Operate With Rear Power Window Switch RH - Wiring Diagram
G05300201Courtesy of © TOYOTA, LICENSE AGREEMENT TMS1002