LEMON Manuals: Even more car manuals for everyone
Home >> Lexus >> 2007 >> GS 430 >> Repair and Diagnosis >> Body & Frame >> Windows >> Windshield/WINDOWGLASS >> Power Window Control System >> Rear Power Window LH Auto Up / Down Function does not Operate with Rear Power Window Switch LH >> Wiring Diagram

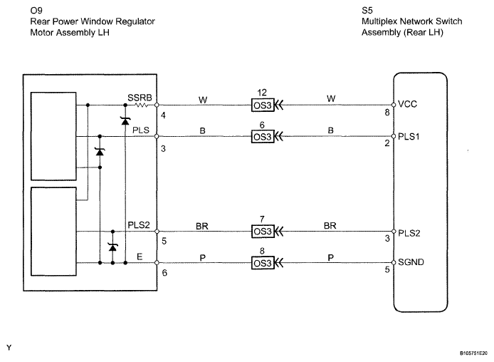
Rear Power Window LH Auto Up / Down Function does not Operate with Rear Power Window Switch LH: Wiring Diagram

Fig 1: Rear Power Window LH Auto Up / Down Function Does Not Operate With Rear Power Window Switch LH - Wiring Diagram
G05300197Courtesy of © TOYOTA, LICENSE AGREEMENT TMS1002