LEMON Manuals: Even more car manuals for everyone
Home >> Lexus >> 2007 >> GS 430 >> Repair and Diagnosis >> Body & Frame >> Windows >> Windshield/WINDOWGLASS >> Power Window Control System >> Front Passenger Side Power Window does not Operate with Front Passenger Side Power Window Switch >> Wiring Diagram

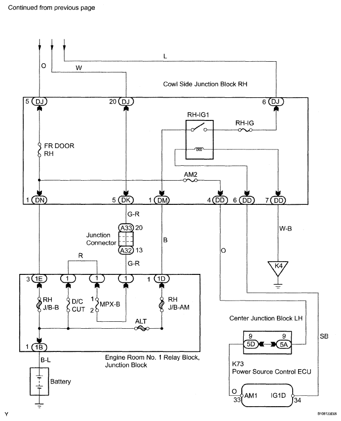
Front Passenger Side Power Window does not Operate with Front Passenger Side Power Window Switch: Wiring Diagram

Fig 1: Front Passenger Side Power Window Does Not Operate With Front Passenger Side Power Window Switch - Wiring Diagram (1 Of 2)
G05300170Courtesy of © TOYOTA, LICENSE AGREEMENT TMS1002
Fig 2: Front Passenger Side Power Window Does Not Operate With Front Passenger Side Power Window Switch - Wiring Diagram (2 Of 2)
G05300171Courtesy of © TOYOTA, LICENSE AGREEMENT TMS1002