LEMON Manuals: Even more car manuals for everyone
Home >> Lexus >> 2007 >> GS 350 AWD >> Repair and Diagnosis >> Engine Performance >> System >> Engine Control System (2GR-FSE) - SFI System Introduction, Precautions, Troubleshooting, Symptoms Table, Terminals Of ECM, Diagnostic Trouble Code Chart >> SFI System >> System Diagram

System Diagram

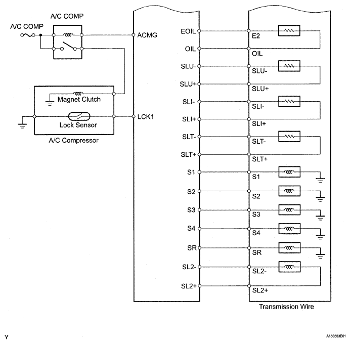
Fig 1: Engine Control System Diagram - 2GR-FSE (1 Of 6)
G05285015Courtesy of © TOYOTA, LICENSE AGREEMENT TMS1002
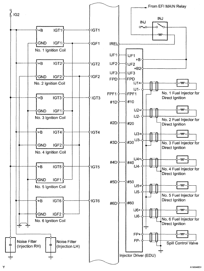
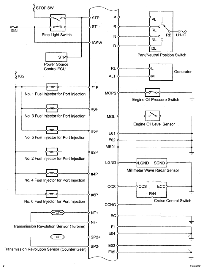
Fig 2: Engine Control System Diagram - 2GR-FSE (2 Of 6)
G05285016Courtesy of © TOYOTA, LICENSE AGREEMENT TMS1002
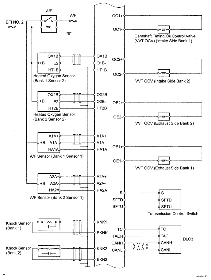
Fig 3: Engine Control System Diagram - 2GR-FSE (3 Of 6)
G05285017Courtesy of © TOYOTA, LICENSE AGREEMENT TMS1002
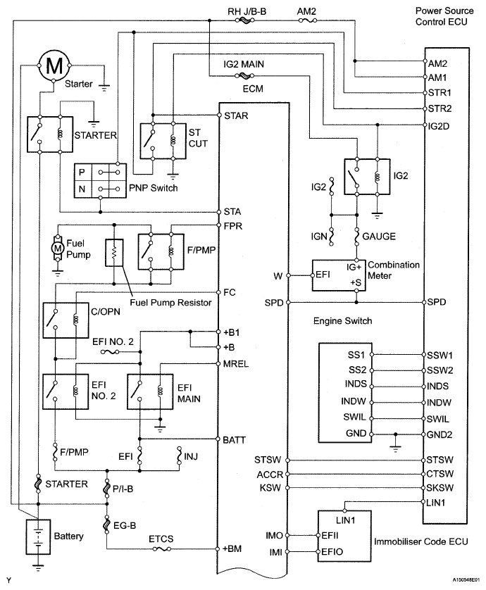
Fig 4: Engine Control System Diagram - 2GR-FSE (4 Of 6)
G05285018Courtesy of © TOYOTA, LICENSE AGREEMENT TMS1002
Fig 5: Engine Control System Diagram - 2GR-FSE (5 Of 6)
G05285019Courtesy of © TOYOTA, LICENSE AGREEMENT TMS1002
Fig 6: Engine Control System Diagram - 2GR-FSE (6 Of 6)
G05285020Courtesy of © TOYOTA, LICENSE AGREEMENT TMS1002