LEMON Manuals: Even more car manuals for everyone
Home >> Lexus >> 2007 >> ES 350 >> Repair and Diagnosis >> Engine Mechanical >> Mechanical >> Engine Intake System >> Intake Air Control System >> System Diagram

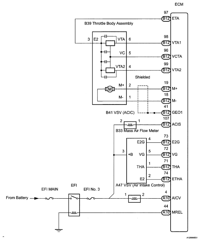
System Diagram

Fig 1: Intake Air Control System Diagram
G05248629Courtesy of © TOYOTA, LICENSE AGREEMENT TMS1002