LEMON Manuals: Even more car manuals for everyone
Home >> Lexus >> 2007 >> ES 350 >> Repair and Diagnosis >> Electrical >> Body Electrical >> OEM System Circuits >> Tire Pressure Warning System >> Notes

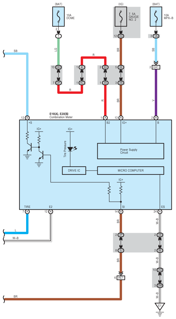
Tire Pressure Warning System: Notes

Fig 1: Tire Pressure Warning System Wiring Diagram (1 Of 2)
G08916900Courtesy of © TOYOTA, LICENSE AGREEMENT TMS1002
Fig 2: Tire Pressure Warning System Wiring Diagram (2 Of 2)
G08916901Courtesy of © TOYOTA, LICENSE AGREEMENT TMS1002