LEMON Manuals: Even more car manuals for everyone
Home >> Lexus >> 2007 >> ES 350 >> Repair and Diagnosis >> Electrical >> Body Electrical >> OEM System Circuits >> Cruise Control >> Notes

Cruise Control: Notes

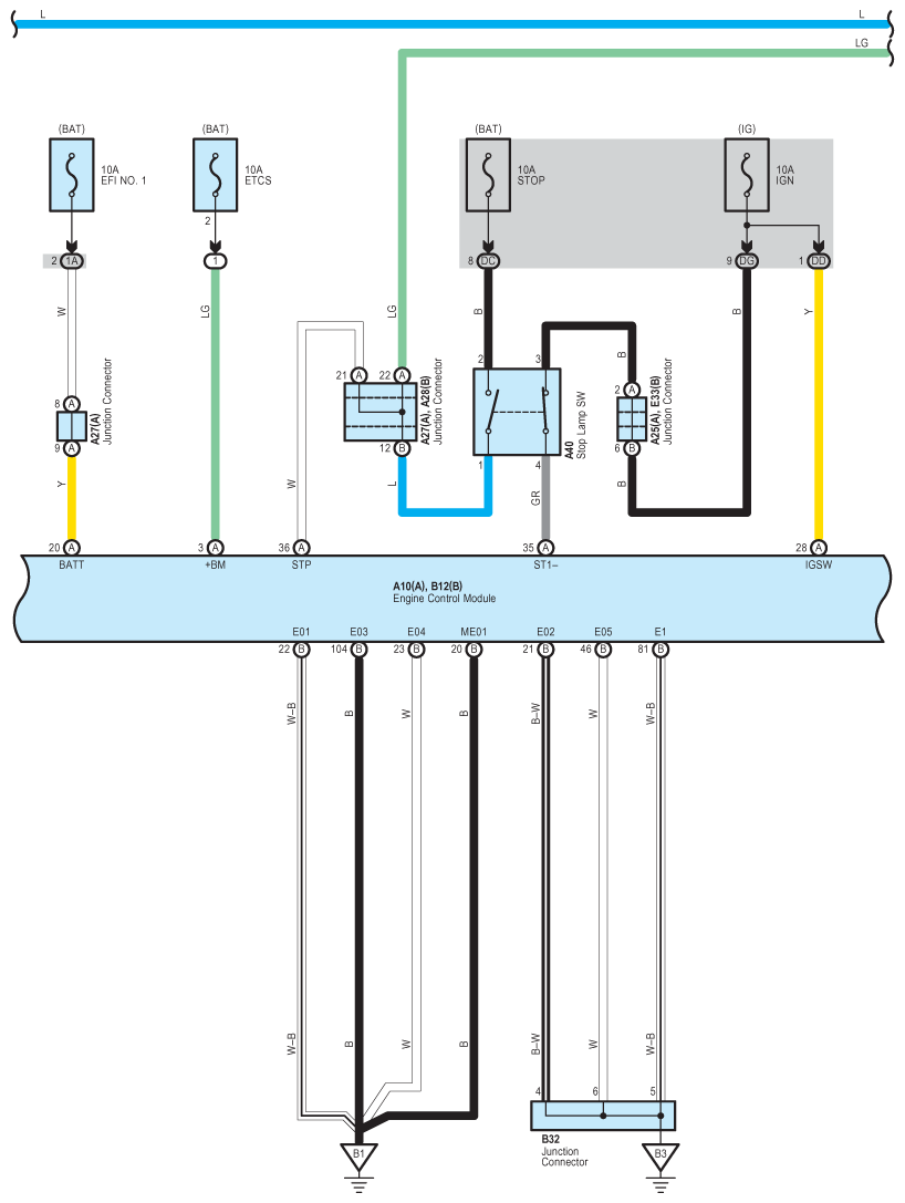
Fig 1: Cruise Control System Wiring Diagram (1 Of 9)
G08916874Courtesy of © TOYOTA, LICENSE AGREEMENT TMS1002
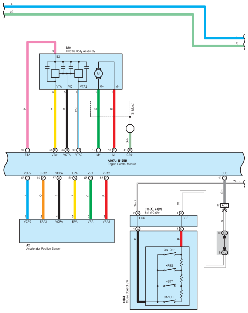
Fig 2: Cruise Control System Wiring Diagram (2 Of 9)
G08916875Courtesy of © TOYOTA, LICENSE AGREEMENT TMS1002
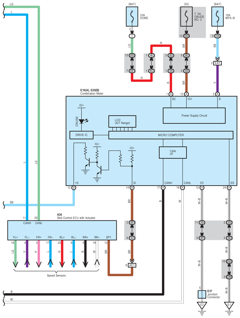
Fig 3: Cruise Control System Wiring Diagram (3 Of 9)
G08916876Courtesy of © TOYOTA, LICENSE AGREEMENT TMS1002
Fig 4: Cruise Control System Wiring Diagram (4 Of 9)
G08916877Courtesy of © TOYOTA, LICENSE AGREEMENT TMS1002
Fig 5: Cruise Control System Wiring Diagram (5 Of 9)
G08916878Courtesy of © TOYOTA, LICENSE AGREEMENT TMS1002
Fig 6: Cruise Control System Wiring Diagram (6 Of 9)
G08916879Courtesy of © TOYOTA, LICENSE AGREEMENT TMS1002
Fig 7: Cruise Control System Wiring Diagram (7 Of 9)
G08916880Courtesy of © TOYOTA, LICENSE AGREEMENT TMS1002
Fig 8: Cruise Control System Wiring Diagram (8 Of 9)
G08916881Courtesy of © TOYOTA, LICENSE AGREEMENT TMS1002
Fig 9: Cruise Control System Wiring Diagram (9 Of 9)
G08916882Courtesy of © TOYOTA, LICENSE AGREEMENT TMS1002