LEMON Manuals: Even more car manuals for everyone
Home >> Lexus >> 2007 >> ES 350 >> Repair and Diagnosis >> Body & Frame >> Windows >> Windshield/WINDOWGLASS >> Power Window Control System >> System Diagram

System Diagram

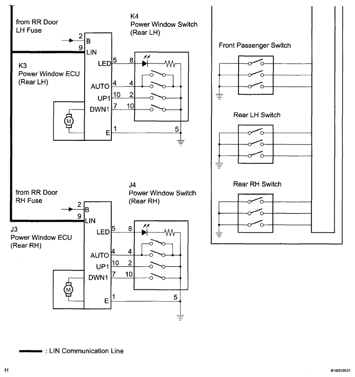
Fig 1: Power Window Control System - System Diagram (1 Of 2)
G05253560Courtesy of © TOYOTA, LICENSE AGREEMENT TMS1002
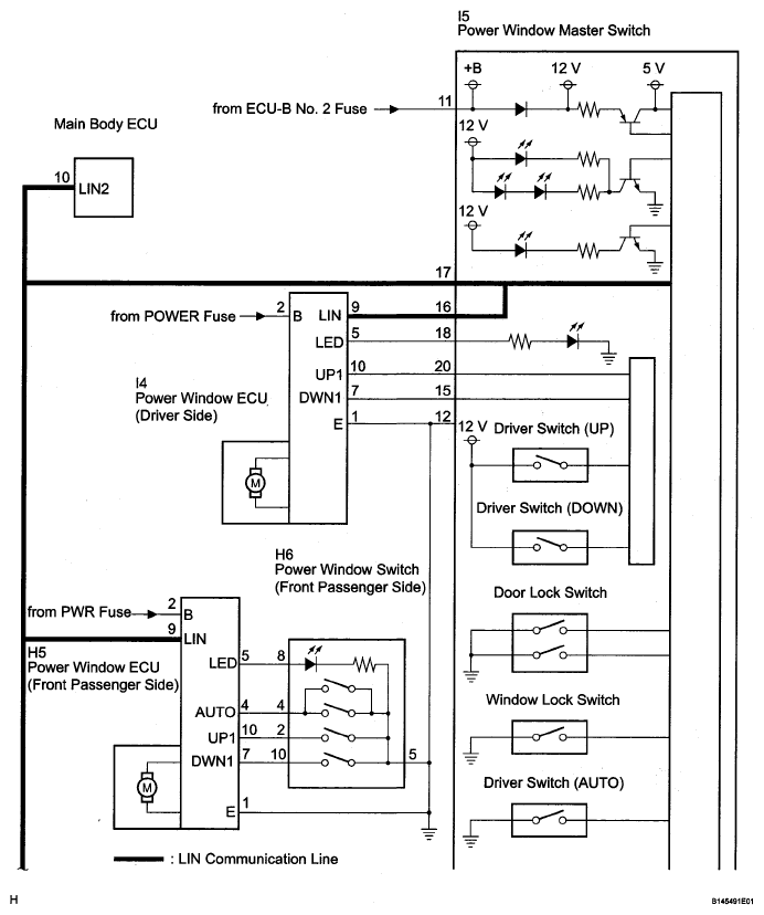
Fig 2: Power Window Control System - System Diagram (2 Of 2)
G05253561Courtesy of © TOYOTA, LICENSE AGREEMENT TMS1002