LEMON Manuals: Even more car manuals for everyone
Home >> Lexus >> 2007 >> ES 350 >> Repair and Diagnosis (Single Page) >> Engine Performance >> System >> Engine Control System - System And Circuit Testing, Active Control Engine Mount System (Including DTC P16A0 - P16A4), On-Vehicle Inspection, Removal, Inspection & Installation >> Active Control Engine Mount System >> System Diagram

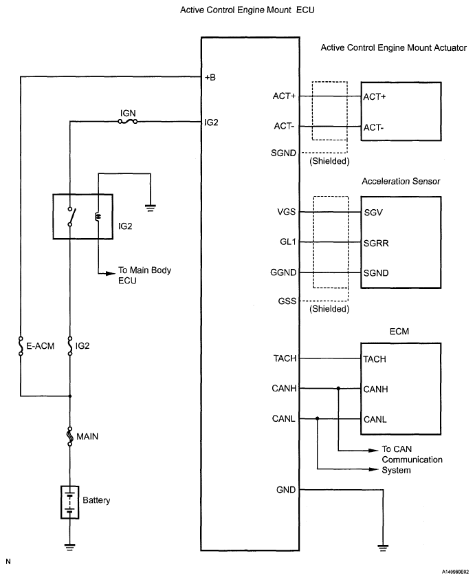
System Diagram

Fig 1: Identifying Active Control Engine Mount ECU System Diagram
G05247889Courtesy of © TOYOTA, LICENSE AGREEMENT TMS1002