LEMON Manuals: Even more car manuals for everyone
Home >> Lexus >> 2006 >> SC 430 >> Repair and Diagnosis >> Engine Performance >> Fuel Delivery >> Fuel >> Fuel System >> System Diagram

System Diagram

Fig 1: Fuel System Diagram (1 Of 3)
G04107784Courtesy of © TOYOTA, LICENSE AGREEMENT TMS1002

The fuel system is controlled by the ECM based on signals from various sensors.

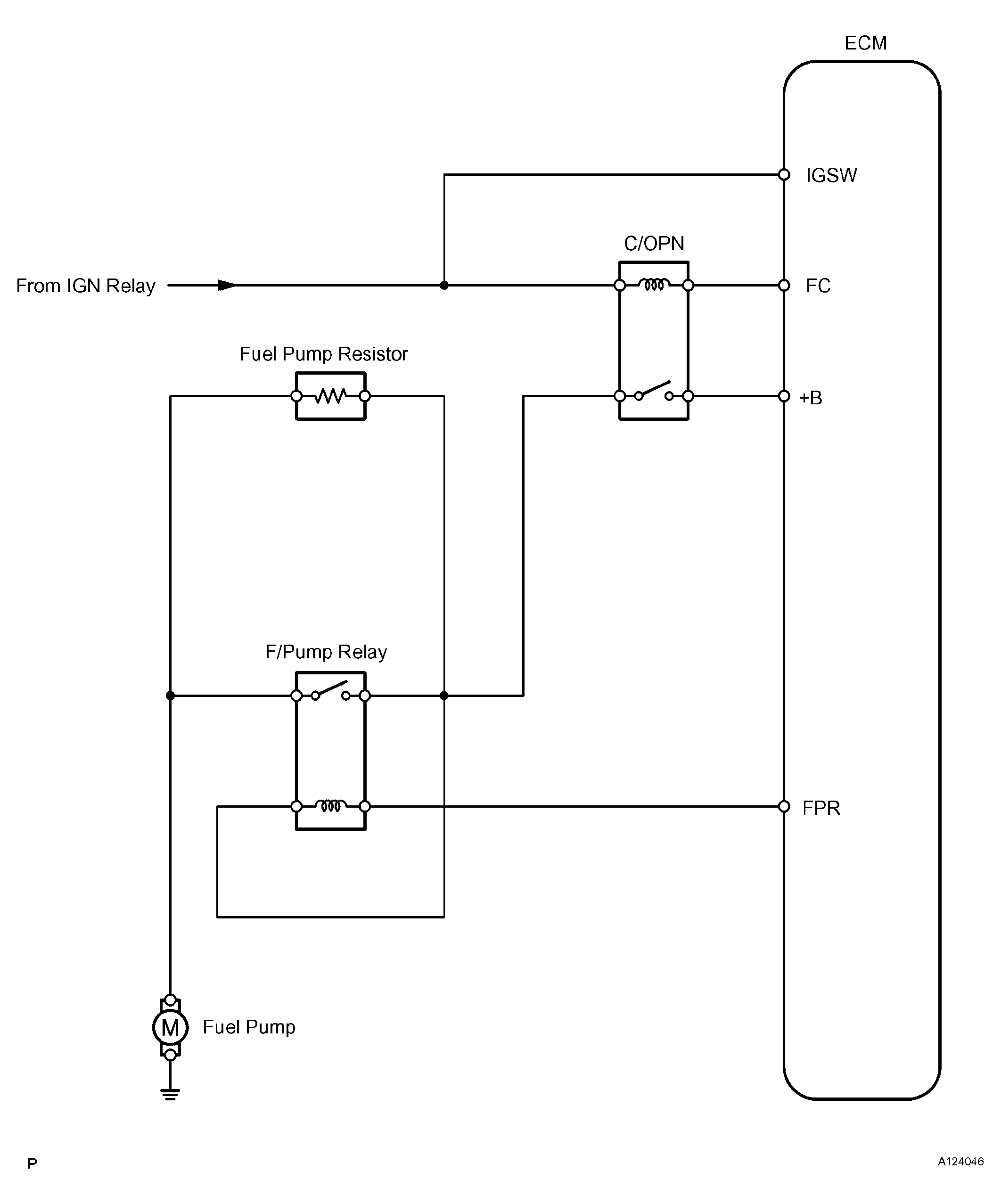
Fig 2: Fuel System Diagram (2 Of 3)
G04107785Courtesy of © TOYOTA, LICENSE AGREEMENT TMS1002
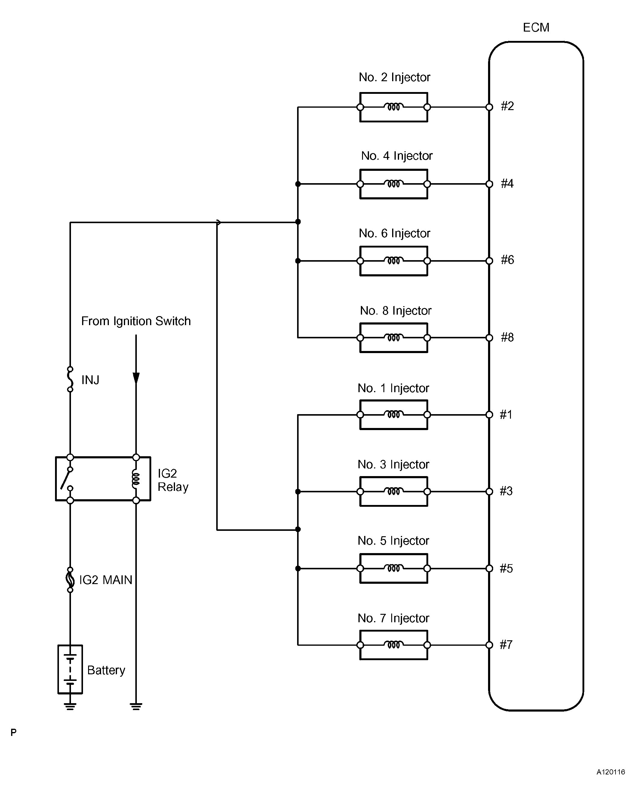
Fig 3: Fuel System Diagram (3 Of 3)
G04107786Courtesy of © TOYOTA, LICENSE AGREEMENT TMS1002