LEMON Manuals: Even more car manuals for everyone
Home >> Lexus >> 2006 >> SC 430 >> Repair and Diagnosis >> Electrical >> Body Electrical >> OEM System Circuits >> Power Seat >> Notes

Power Seat: Notes

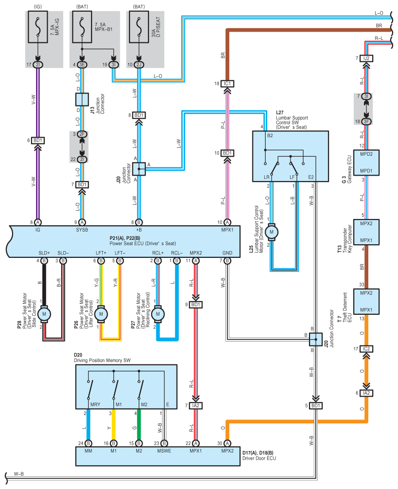
Fig 1: Power Seat - Wiring Diagram (1 Of 4)
G08930547Courtesy of © TOYOTA, LICENSE AGREEMENT TMS1002
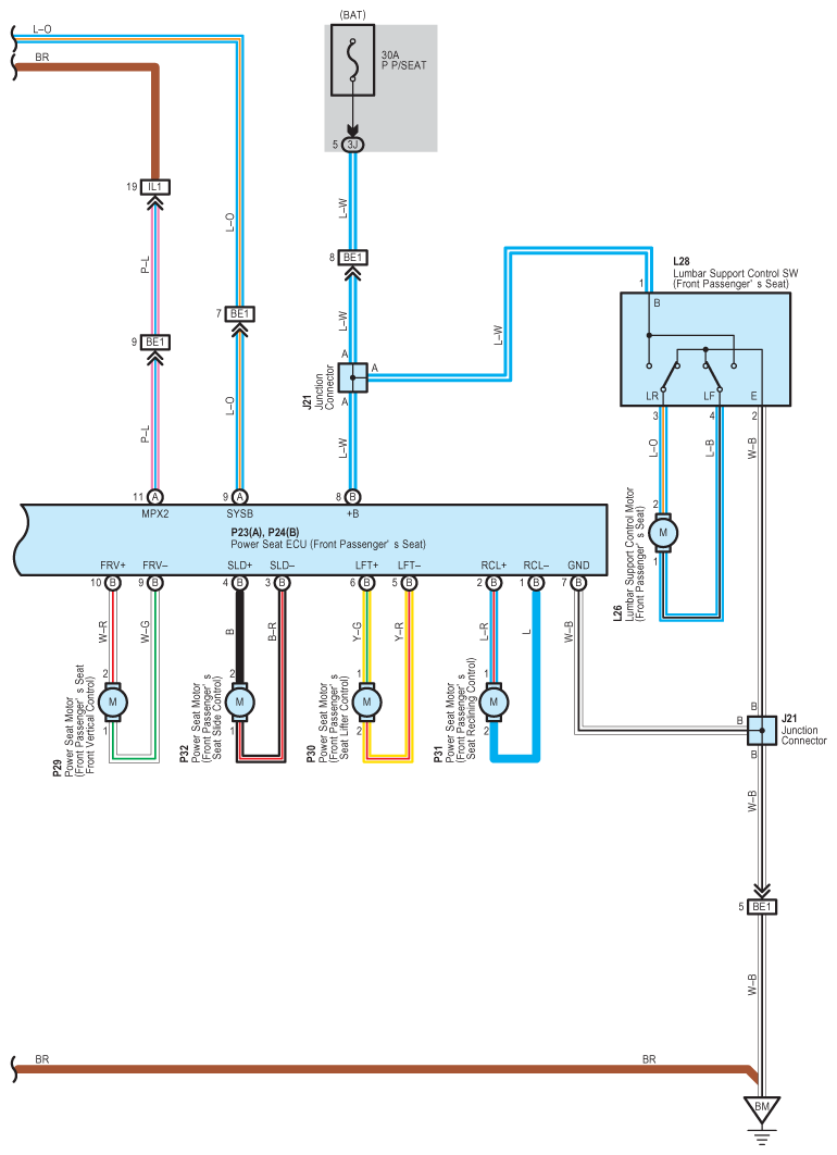
Fig 2: Power Seat - Wiring Diagram (2 Of 4)
G08930548Courtesy of © TOYOTA, LICENSE AGREEMENT TMS1002
Fig 3: Power Seat - Wiring Diagram (3 Of 4)
G08930549Courtesy of © TOYOTA, LICENSE AGREEMENT TMS1002
Fig 4: Power Seat - Wiring Diagram (4 Of 4)
G08930550Courtesy of © TOYOTA, LICENSE AGREEMENT TMS1002