LEMON Manuals: Even more car manuals for everyone
Home >> Lexus >> 2006 >> RX 330 AWD >> Repair and Diagnosis >> Engine Performance >> Engine Control System (3MZ-FE) >> SFI System >> ECM Power Source Circuit >> Inspection Procedure

Inspection Procedure

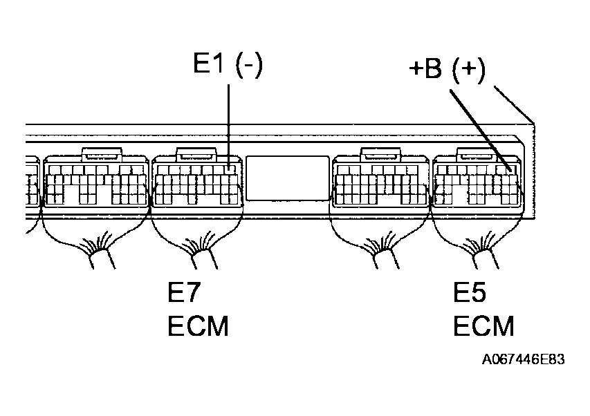
  1. INSPECT ECM (+B VOLTAGE) 
    1. Turn the ignition switch ON.
    2. Measure the voltage of the ECM connectors.

    Standard voltage 

    ECM (+B VOLTAGE)

    Tester Connection Specified Condition
    E5-1 (+B) - E7-1 (E1) 9 to 14 V
    Fig 1: Inspecting ECM (+B Voltage)
    G04087448Courtesy of © TOYOTA, LICENSE AGREEMENT TMS1002

    OK : PROCEED TO NEXT CIRCUIT INSPECTION SHOWN ON PROBLEM SYMPTOMS TABLE 

    NG : Go to next step 

  2. CHECK HARNESS AND CONNECTOR (ECM - BODY GROUND) 
    1. Disconnect the E7 ECM connector.
    2. Measure the resistance of the wire harness side connectors.

    Standard resistance 

    ECM - BODY GROUND

    Tester Connection Specified Condition
    E7-1 (E1) - Body ground Below 1 Ω
    Fig 2: Checking Harness And Connector (ECM - Body Ground)
    G04087449Courtesy of © TOYOTA, LICENSE AGREEMENT TMS1002

    NG : REPAIR OR REPLACE HARNESS OR CONNECTOR 

    OK : Go to next step 

  3. INSPECT ECM (IGSW VOLTAGE) 
    1. Turn the ignition switch ON.
    2. Measure the voltage of the ECM connectors.

    Standard voltage 

    ECM (IGSW VOLTAGE)

    Tester Connection Specified Condition
    E5-9 (IGSW) - E7-1 (E1) 9 to 14 V
    Fig 3: Inspecting ECM (IGSW Voltage)
    G04087450Courtesy of © TOYOTA, LICENSE AGREEMENT TMS1002

    OK : GO TO STEP   6 

    NG : Go to next step 

  4. CHECK IGN FUSE 
    1. Remove the IGN fuse from the instrument panel J/B.
    2. Measure the resistance of the IGN fuse.

    Standard resistance: Below 1 Ω 

    Fig 4: Identifying IGN Fuse
    G04087451Courtesy of © TOYOTA, LICENSE AGREEMENT TMS1002

    NG : REPLACE IGN FUSE 

    OK : Go to next step 

  5. INSPECT IGNITION OR STARTER SWITCH ASSEMBLY 
    1. Measure the resistance of the switch terminals shown in the chart below.

    Standard resistance 

    IGNITION OR STARTER SWITCH ASSEMBLY

    Tester Connection Switch Condition Specified Condition
    6 (IG2) - 7 (AM2) LOCK 10 kΩ or higher
    6 (IG2) - 7 (AM2) ON Below 1 Ω
    Fig 5: Inspecting Ignition Or Starter Switch Assembly
    G04087452Courtesy of © TOYOTA, LICENSE AGREEMENT TMS1002

    NG : REPLACE IGNITION OR STARTER SWITCH ASSEMBLY 

    OK : CHECK AND REPLACE HARNESS AND CONNECTOR (BATTERY - IGNITION SWITCH, IGNITION SWITCH - ECM) 

  6. INSPECT ECM (MREL VOLTAGE) 
    1. Turn the ignition switch ON.
    2. Measure the voltage of the ECM connectors.

    Standard voltage 

    ECM (MREL VOLTAGE)

    Tester Connection Specified Condition
    E5-8 (MREL) - E7-1 (E1) 9 to 14 V
    Fig 6: Inspecting ECM (MREL Voltage)
    G04087453Courtesy of © TOYOTA, LICENSE AGREEMENT TMS1002

    NG : REPLACE ECM 

    OK : Go to next step 

  7. CHECK EFI NO. 1 FUSE 
    1. Remove the EFI No. 1 fuse from the fusible link block.
    2. Measure the resistance of the EFI No. 1 fuse.

      Standard resistance: Below 1 Ω 

    3. Install the EFI NO. 1 fuse.
    4. Fig 7: Checking EFI No. 1 Fuse
      G04087454Courtesy of © TOYOTA, LICENSE AGREEMENT TMS1002

    NG : REPLACE EFI NO. 1 FUSE 

    OK : Go to next step 

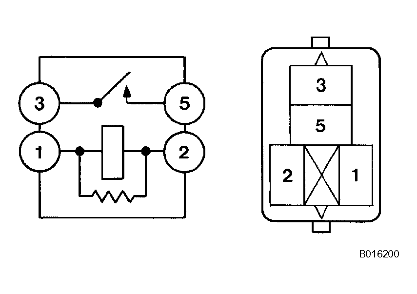
  8. INSPECT EFI MAIN RELAY 
    1. Remove the EFI MAIN relay from the engine room R/B.
    2. Measure the resistance of the EFI MAIN relay.

    Standard resistance 

    EFI MAIN RELAY

    Tester Connection Specified Condition
    1 - 2 Below 1 Ω
    3 - 5 10 kΩ or higher
    3 - 5 Below 1 Ω (when battery voltage is applied to terminals 1 and 2)
    Fig 8: Identifying Relay Test Terminals
    G04044792Courtesy of © TOYOTA, LICENSE AGREEMENT TMS1002

    NG : REPLACE EFI MAIN RELAY 

    OK : Go to next step 

  9. CHECK HARNESS AND CONNECTOR (EFI MAIN RELAY- ECM, EFI MAIN RELAY - BODY GROUND) 
    1. Check the wire harness between the EFI MAIN relay and ECM.
      1. Remove the EFI MAIN relay from the engine room R/B.
      2. Disconnect the E5 ECM connector.
      3. Measure the resistance of the wire harness side connectors.

      Standard resistance 

      EFI MAIN RELAY- ECM

      Tester Connection Specified Condition
      R/B EFI MAIN relay terminal 1 - E5-8 (MREL) Below 1 Ω
      R/B EFI MAIN relay terminal 1 or E5-8 (MREL) - Body ground 10 kΩ or higher
    2. Check the wire harness between the EFI MAIN relay and body ground.
      1. Remove the EFI MAIN relay from the engine room R/B.
      2. Measure the resistance between the wire harness side connector.

    Standard resistance 

    EFI MAIN RELAY - BODY GROUND

    Tester Connection Specified Condition
    R/B EFI MAIN relay terminal 2 - Body ground Below 1 Ω
    Fig 9: Checking Harness And Connector (EFI Main Relay - ECM, EFI Main Relay - Body Ground)
    G04087456Courtesy of © TOYOTA, LICENSE AGREEMENT TMS1002

    NG : REPAIR OR REPLACE HARNESS OR CONNECTOR 

    OK : CHECK AND REPAIR HARNESS AND CONNECTOR (TERMINAL +B OF ECM - BATTERY POSITIVE TERMINAL)