LEMON Manuals: Even more car manuals for everyone
Home >> Lexus >> 2006 >> LS 430 >> Repair and Diagnosis >> Accessories & Equipment >> Memory Modules >> Power Mirror Control System (W/ Memory) - Diagnostics >> Power Source Circuit (Front Passenger Door Ecu) >> Wiring Diagram

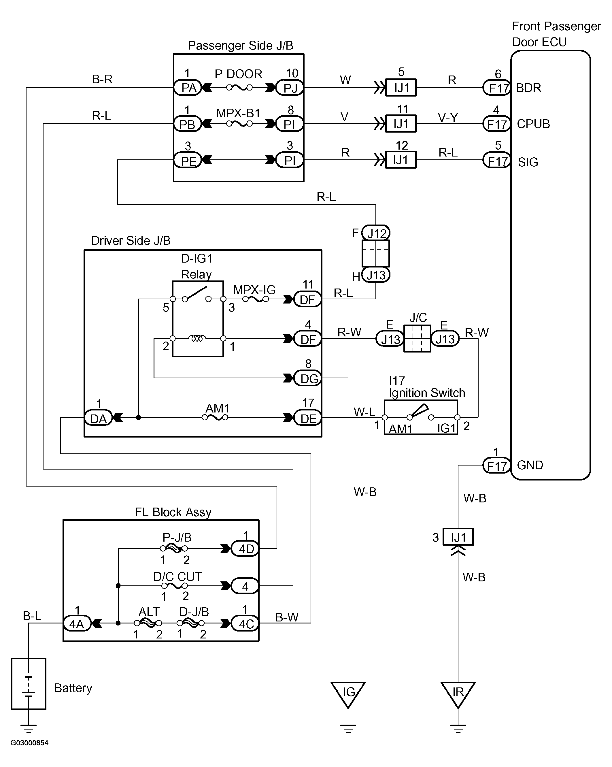
Power Source Circuit (Front Passenger Door Ecu): Wiring Diagram

Fig 1: Power Source Circuit Wiring Diagram (Front Passenger Door ECU)
G03000854Courtesy of © TOYOTA, LICENSE AGREEMENT TMS1002