LEMON Manuals: Even more car manuals for everyone
Home >> Lexus >> 2006 >> LS 430 >> Repair and Diagnosis >> Accessories & Equipment >> Memory Modules >> Power Mirror Control System (W/ Memory) - Diagnostics >> ELECTROCHROMATIC Mirror Circuit >> Wiring Diagram

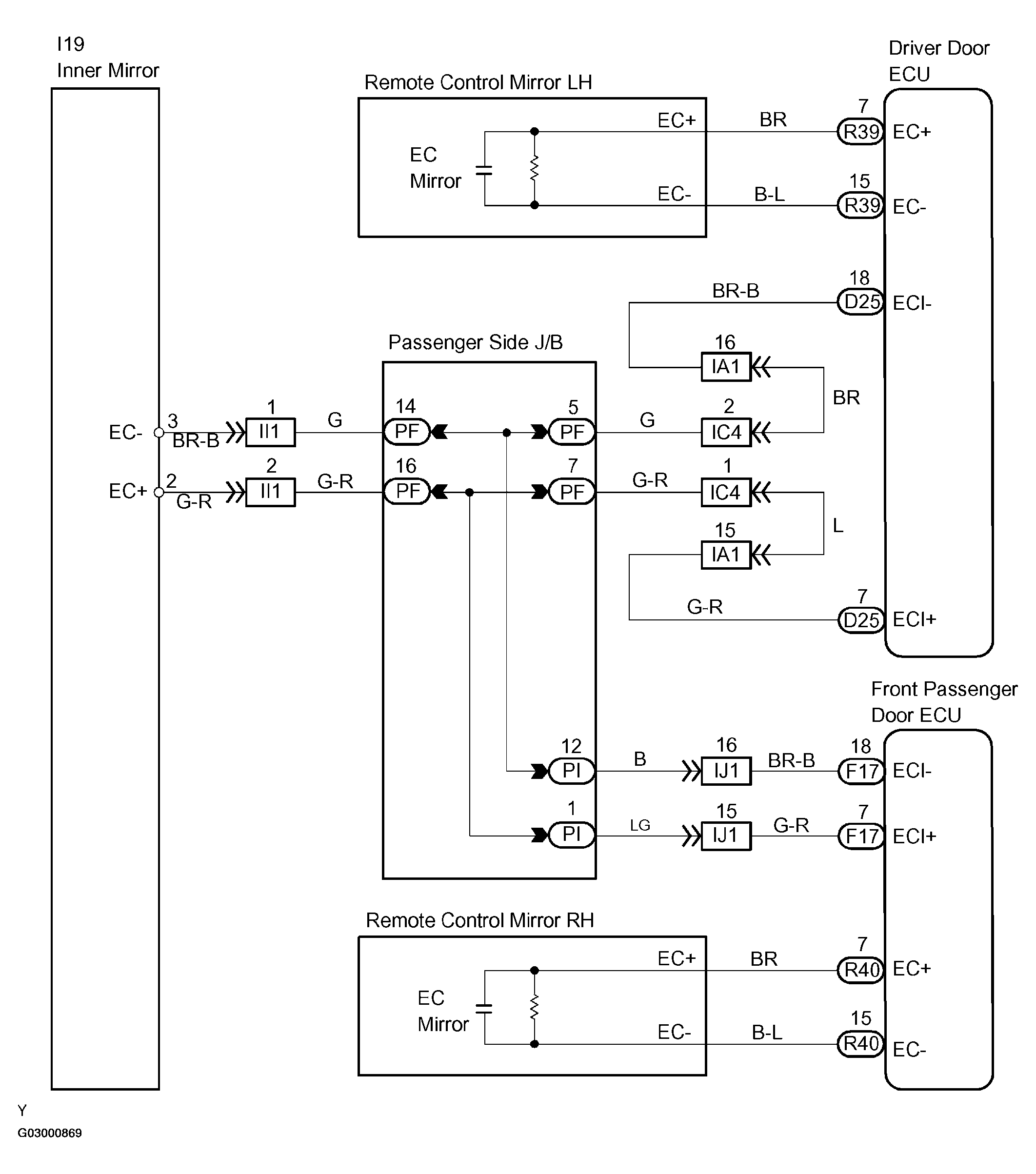
ELECTROCHROMATIC Mirror Circuit: Wiring Diagram

Fig 1: Electrochromatic Mirror Circuit Wiring Diagram
G03000869Courtesy of © TOYOTA, LICENSE AGREEMENT TMS1002