LEMON Manuals: Even more car manuals for everyone
Home >> Lexus >> 2006 >> LS 430 >> Repair and Diagnosis (Single Page) >> Steering >> Steering Column >> Steering Lock System - Diagnostics >> Power Source Circuit >> Wiring Diagram

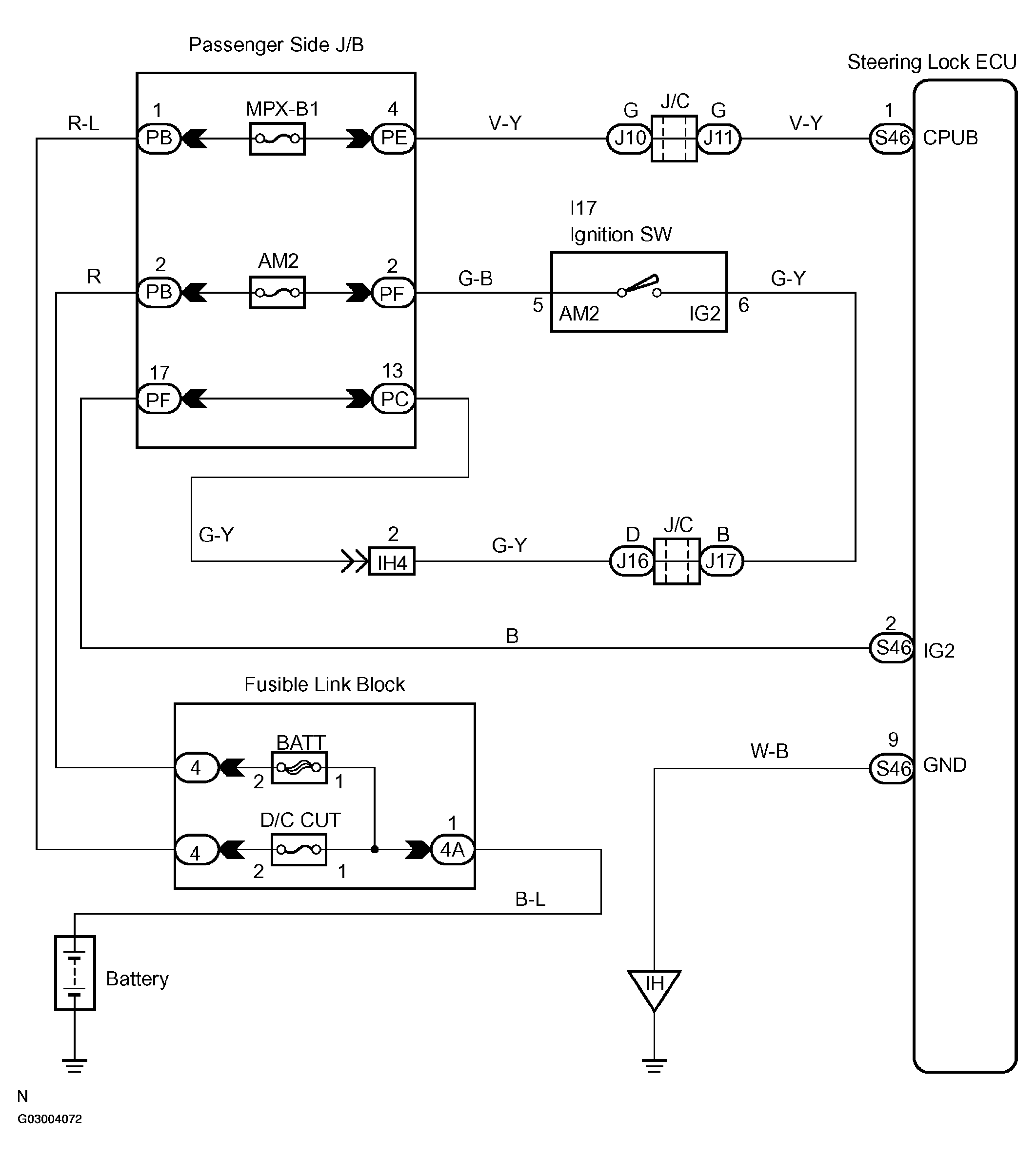
Power Source Circuit: Wiring Diagram

Fig 1: Power Source Circuit
G03004072Courtesy of © TOYOTA, LICENSE AGREEMENT TMS1002