LEMON Manuals: Even more car manuals for everyone
Home >> Lexus >> 2006 >> LS 430 >> Repair and Diagnosis (Single Page) >> Steering >> Steering Column >> Steering Lock System - Diagnostics >> Diagnostic Trouble Code Chart

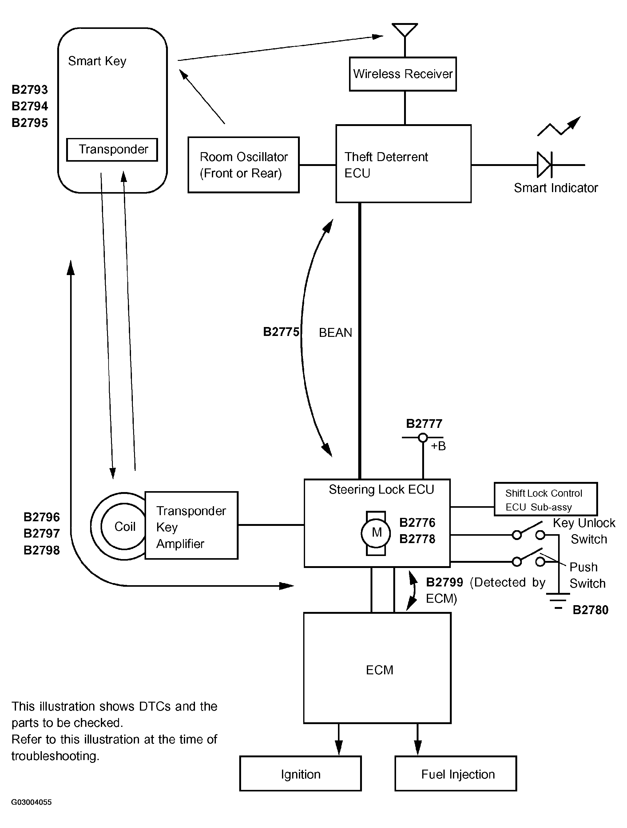
Diagnostic Trouble Code Chart

If a trouble code is displayed during the DTC check, check the circuit listed for that code in the table below.

DIAGNOSTIC TROUBLE CODE CHART

DTC Description
DTC B2775  INTERIOR VERIFICATION ABNORMAL (TO THEFT DETERRENT ECU)
DTC B2776  STEERING LOCK MOTOR MALFUNCTION
DTC B2777  +B CIRCUIT MALFUNCTION
DTC B2778  INTERLOCK CABLE MALFUNCTION
DTC B2780  PUSH SWITCH/KEY UNLOCK WARNING SWITCH MALFUNCTION
DTC B2799  ENGINE IMMOBILIZER SYSTEM MALFUNCTION
Fig 1: Diagnostic Trouble Code Information Chart
G03004054Courtesy of © TOYOTA, LICENSE AGREEMENT TMS1002

HINT: