LEMON Manuals: Even more car manuals for everyone
Home >> Lexus >> 2006 >> LS 430 >> Repair and Diagnosis (Single Page) >> Electrical >> Body Electrical >> OEM System Circuits >> Engine Immobiliser System without Smart Key System >> Notes

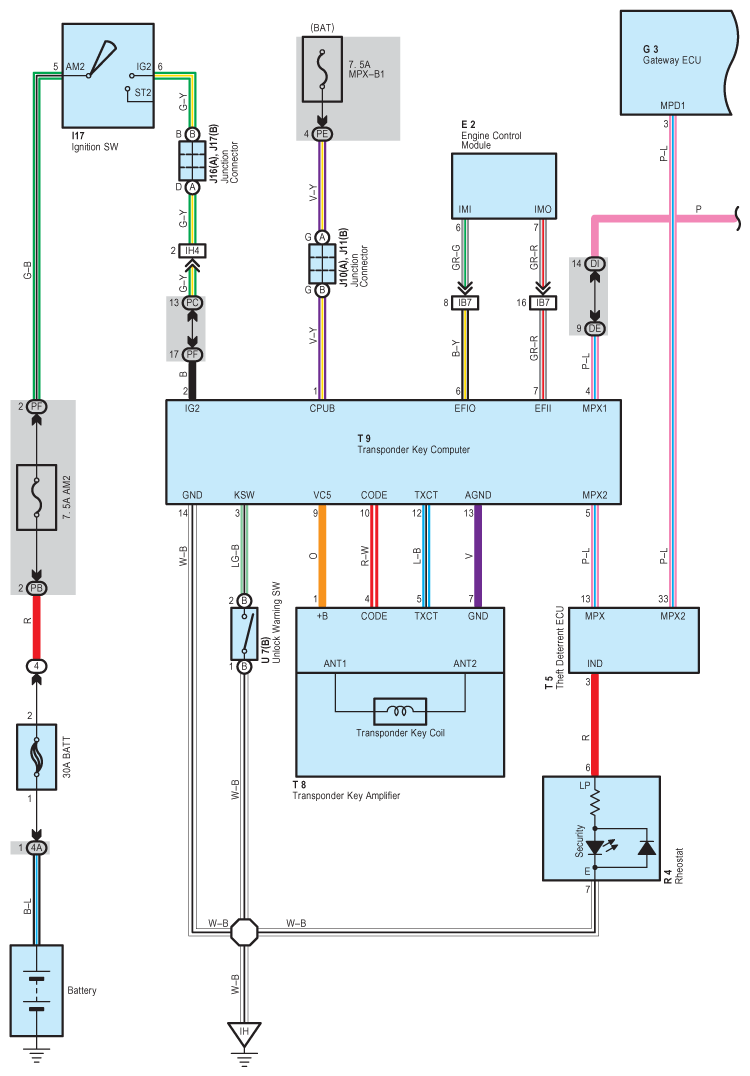
Engine Immobiliser System without Smart Key System: Notes

Fig 1: Engine Immobiliser System Without Smart Key System Wiring Diagram (1 Of 2)
G08913693Courtesy of © TOYOTA, LICENSE AGREEMENT TMS1002
Fig 2: Engine Immobiliser System Without Smart Key System Wiring Diagram (2 Of 2)
G08913694Courtesy of © TOYOTA, LICENSE AGREEMENT TMS1002