LEMON Manuals: Even more car manuals for everyone
Home >> Lexus >> 2006 >> LS 430 >> Repair and Diagnosis (Single Page) >> Electrical >> Body Electrical >> OEM System Circuits >> Adaptive Front-Lighting System >> Notes

Adaptive Front-Lighting System: Notes

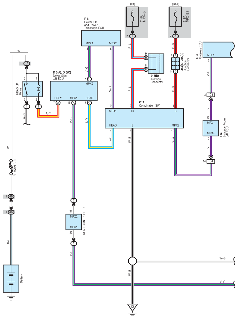
Fig 1: Adaptive Front-Lighting System Wiring Diagram (1 Of 4)
G08913880Courtesy of © TOYOTA, LICENSE AGREEMENT TMS1002
Fig 2: Adaptive Front-Lighting System Wiring Diagram (2 Of 4)
G08913881Courtesy of © TOYOTA, LICENSE AGREEMENT TMS1002
Fig 3: Adaptive Front-Lighting System Wiring Diagram (3 Of 4)
G08913882Courtesy of © TOYOTA, LICENSE AGREEMENT TMS1002
Fig 4: Adaptive Front-Lighting System Wiring Diagram (4 Of 4)
G08913883Courtesy of © TOYOTA, LICENSE AGREEMENT TMS1002