LEMON Manuals: Even more car manuals for everyone
Home >> Lexus >> 2006 >> IS 350 >> Repair and Diagnosis >> Engine Performance >> Engine Control System (2GR-FSE) >> Integration Relay >> Inspection

Integration Relay: Inspection

  1. INSPECT INTEGRATION RELAY 
    NOTE:
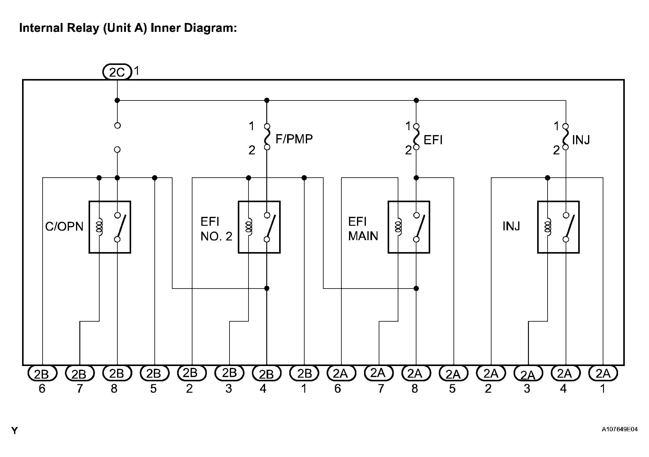
    • Some relays are built into the integration relay (unit: A). The integration relay cannot be disassembled. If there is a malfunction in the circuit of the integration relay, replace the integration relay.
    • The internal circuit of the integration relay is as shown in the illustration. Inspect the integration relay using the following procedures.
      Fig 1: Integration Relay Inner Diagram
      G04054979Courtesy of © TOYOTA, LICENSE AGREEMENT TMS1002
    1. Measure the resistance of the C/OPN relay.
      1. Using an ohmmeter, measure the resistance between terminal.

        Standard resistance 

        RESISTANCE SPECIFICATION

        Tester Connection Specified Condition
        2B-5 - 2B-8 10 kΩ or higher
      2. Connect the battery's positive (+) lead to terminals 2B-5 and negative (-) lead to terminal 2B-7. Using an voltmeter, measure the resistance between terminal.

        Standard voltage 

        VOLTAGE SPECIFICATION

        Tester Connection Specified Condition
        2B-7 - 2B-8 10 - 14V
        Fig 2: Identifying Integration Relay Connector
        G04054980Courtesy of © TOYOTA, LICENSE AGREEMENT TMS1002
    2. Measure the resistance of the EFI MAIN relay.
      1. Remove the EFI fuse. Using an ohmmeter, measure the resistance between the terminals.

        Standard resistance 

        RESISTANCE SPECIFICATION

        Tester Connection Specified Condition
        EFI fuse terminal 2 - 2A-8 10 kΩ or higher
      2. Connect the battery's positive (+) lead to terminal 2A-6 and negative (-) lead to terminal 2A-7. Using an ohmmeter, measure the resistance between terminal.

        Standard resistance 

        RESISTANCE SPECIFICATION

        Tester Connection Specified Condition
        EFI fuse terminal 2 - terminal 2A-8 Below 1 Ω
        Fig 3: Identifying EFI Fuse
        G04054981Courtesy of © TOYOTA, LICENSE AGREEMENT TMS1002
    3. Measure the resistance of the EFI NO. 2 relay.
      1. Remove the F/PMP fuse. Using an ohmmeter, measure the resistance between the terminals.

        Standard resistance 

        RESISTANCE SPECIFICATION

        Tester Connection Specified Condition
        F-PMP fuse terminal 2 - 2B-4 10 kΩ or higher
      2. Connect the battery's positive (+) lead to terminal 2A-8 and negative (-) lead to terminal 2B-3. Using an ohmmeter, measure the resistance between the terminals.

        Standard resistance 

        RESISTANCE SPECIFICATION

        Tester Connection Specified Condition
        F-PMP fuse terminal 2 - 2B-4 Below 1 Ω
        Fig 4: Identifying F/PMP Fuse
        G04054982Courtesy of © TOYOTA, LICENSE AGREEMENT TMS1002
    4. Measure the resistance of the EFI INJ relay.
      1. Remove the INJ fuse. Using an ohmmeter, measure the resistance between the terminals.

        Standard resistance 

        RESISTANCE SPECIFICATION

        Tester Connection Specified Condition
        INJ fuse terminal 2 - 2A-4 10 kΩ or higher
      2. Connect the battery's positive (+) lead to terminal 2A-2 and negative (-) lead to terminal 2A-3. Using an ohmmeter, measure the resistance between the terminals.

        Standard resistance 

        RESISTANCE SPECIFICATION

        Tester Connection Specified Condition
        INJ fuse terminal 2 - terminal 2A-4 Below 1 Ω
        Fig 5: Identifying INJ Fuse
        G04054983Courtesy of © TOYOTA, LICENSE AGREEMENT TMS1002