LEMON Manuals: Even more car manuals for everyone
Home >> Lexus >> 2006 >> IS 350 >> Repair and Diagnosis (Single Page) >> Engine Performance >> Remove, Overhaul & Install >> Engine Control System (2GR-FSE) >> SFI System >> ECM Power Source Circuit >> Wiring Diagram

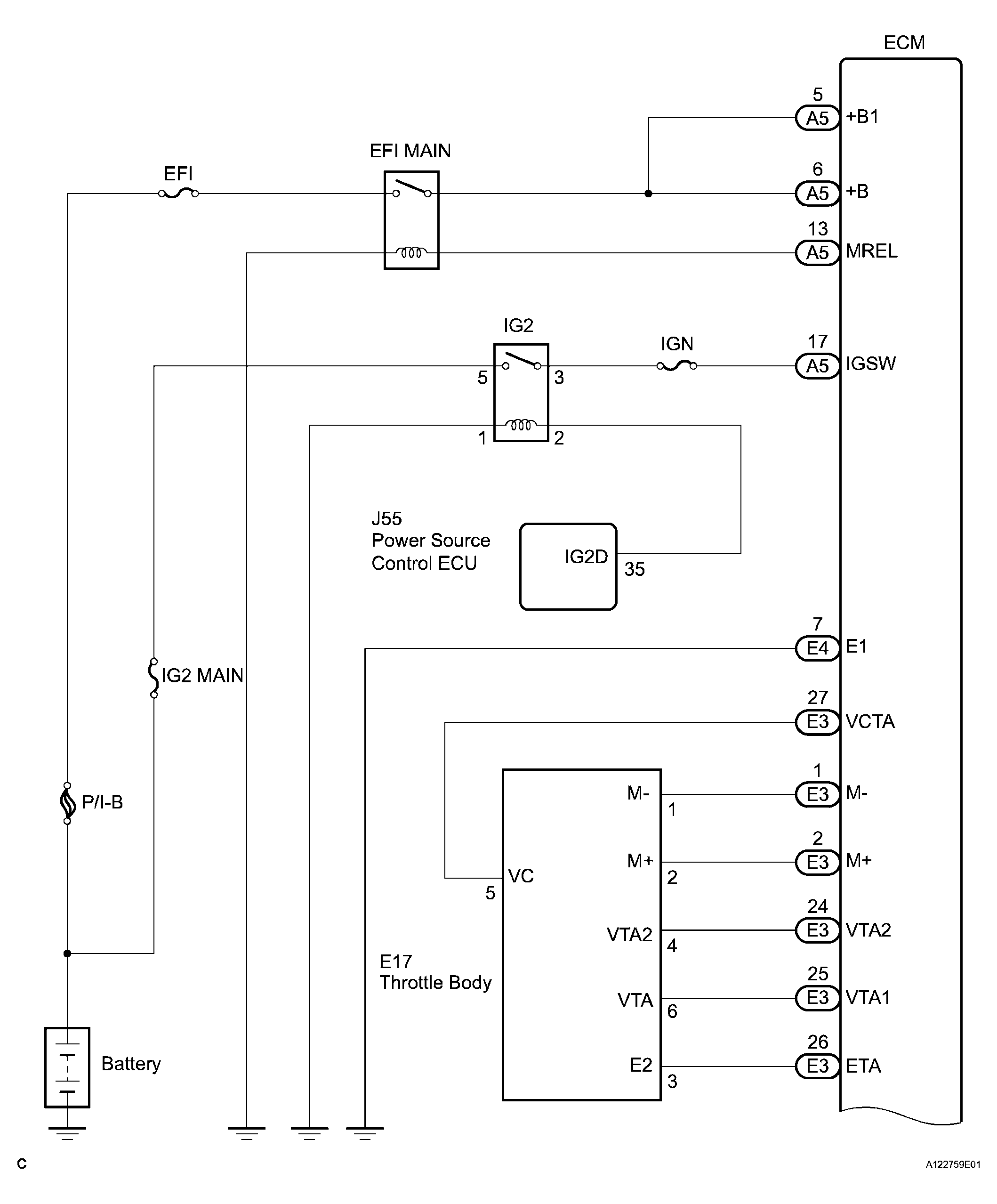
ECM Power Source Circuit: Wiring Diagram

Fig 1: Wiring Diagram - ECM Power Source Circuit (1 Of 2)
G04054867Courtesy of © TOYOTA, LICENSE AGREEMENT TMS1002
Fig 2: Wiring Diagram - ECM Power Source Circuit (2 Of 2)
G04054868Courtesy of © TOYOTA, LICENSE AGREEMENT TMS1002
  1. INSPECT ECM (+B, +B1 VOLTAGE) 
    1. Turn the engine switch on (IG).
    2. Measure the voltage according to the value(s) in the table below.

      Standard voltage 

      VOLTAGE SPECIFICATION

      Tester Connection Specified Condition
      +B (A5-6) - E1 (E4-7) 9 to 14 V
      +B1 (A5-5) - E1 (E4-7) 9 to 14 V

    OK : PROCEED TO NEXT CIRCUIT INSPECTION SHOWN IN PROBLEM SYMPTOMS TABLE 

    Fig 3: Identifying ECM Connectors
    G04054869Courtesy of © TOYOTA, LICENSE AGREEMENT TMS1002

    NG : GO TO NEXT STEP 

  2. CHECK HARNESS AND CONNECTOR (ECM - BODY GROUND) 
    1. Disconnect the E4 ECM connector.
    2. Measure the resistance according to the value(s) in the table below.

      Standard resistance (Check for open) 

      RESISTANCE SPECIFICATION

      Tester Connection Specified Condition
      E1 (E4-7) - Body ground Below 1 Ω
      Fig 4: Identifying E4 ECM Connector
      G04054870Courtesy of © TOYOTA, LICENSE AGREEMENT TMS1002
    3. Reconnect the ECM connector.

    NG : REPAIR OR REPLACE HARNESS AND CONNECTOR 

    OK : GO TO NEXT STEP 

  3. INSPECT ECM (IGSW VOLTAGE) 
    1. Turn the engine switch on (IG).
    2. Measure the voltage according to the value(s) in the table below.

      Standard voltage 

      VOLTAGE SPECIFICATION

      Tester Connection Specified Condition
      IGSW (A5-17) - E1 (E4-7) 9 to 14 V
      Fig 5: Identifying ECM Connectors
      G04054871Courtesy of © TOYOTA, LICENSE AGREEMENT TMS1002

    OK : Go to step   6 

    NG : Go to next step 

  4. CHECK FUSE (IGN FUSE) 
    1. Remove the IGN fuse from the cowl side junction block RH.
    2. Measure the resistance of the IGN fuse.
      Fig 6: Identifying IGN Fuse
      G04054872Courtesy of © TOYOTA, LICENSE AGREEMENT TMS1002

      Standard resistance: Below 1 Ω 

    3. Reinstall the IGN fuse.

    NG : REPLACE IGN FUSE 

    OK : GO TO NEXT STEP 

  5. INSPECT IG2 RELAY 
    1. Remove the IG2 relay from the engine room J/B and R/B No. 2.
    2. Measure the resistance according to the value(s) in the table below.

      Standard resistance 

      RESISTANCE SPECIFICATION

      Tester Connection Specified Condition
      3 - 5 10 kΩ or higher
      3 - 5 Below 1 Ω (when battery voltage applied to terminals 1 and 2)
      Fig 7: Inspecting IG2 Relay
      G04054873Courtesy of © TOYOTA, LICENSE AGREEMENT TMS1002

    NG : REPLACE IG2 RELAY 

    OK : GO TO SMART ACCESS SYSTEM WITH PUSH-BUTTON START 

  6. INSPECT ECM (MREL VOLTAGE) 
    1. Turn the engine switch on (IG).
    2. Measure the voltage according to the value(s) in the table below.

      Standard voltage 

      VOLTAGE SPECIFICATION

      Tester Connection Specified Condition
      MREL (A5-13) - E1 (E4-7) 9 to 14 V

    NG : REPLACE ECM 

    Fig 8: Identifying ECM Connectors
    G04054874Courtesy of © TOYOTA, LICENSE AGREEMENT TMS1002

    OK : GO TO NEXT STEP 

  7. CHECK FUSE (EFI FUSE) 
    1. Remove the EFI fuse from the engine room No.2 junction block.
    2. Measure the resistance of the EFI fuse.
      Fig 9: Identifying EFI Fuse
      G04054875Courtesy of © TOYOTA, LICENSE AGREEMENT TMS1002

      Standard resistance: Below 1 Ω 

    3. Reinstall the EFI fuse.

    NG : REPLACE EFI FUSE 

    OK : GO TO NEXT STEP 

  8. INSPECT INTEGRATION RELAY (EFI MAIN RELAY) 
    1. Remove the integration relay from the engine room J/B and R/B No. 2.
    2. Measure the resistance according to the value(s) in the table below.

      Standard resistance 

      RESISTANCE SPECIFICATION

      Tester Connection Specified Condition
      2C-1 - 2A-8 10 kΩ or higher
      Below 1 Ω (when battery voltage applied to terminals 2A-6 and 2A-7)
      Fig 10: Identifying Integration Relay
      G04054876Courtesy of © TOYOTA, LICENSE AGREEMENT TMS1002

    NG : REPLACE INTEGRATION RELAY 

    OK : GO TO NEXT STEP 

  9. CHECK HARNESS AND CONNECTOR (INTEGRATION RELAY- ECM, INTEGRATION RELAY - BODY GROUND) 
    1. Check the harness and the connectors between the integration relay and the ECM.
      1. Remove the integration relay from the engine room J/B and R/B No. 2.
      2. Disconnect the A5 ECM connector.
      3. Measure the resistance according to the value(s) in the table below.

        Standard resistance (Check for open) 

        RESISTANCE SPECIFICATION

        Tester Connection Specified Condition
        2A-6 - MREL (A5-13) Below 1 Ω

        Standard resistance (Check for short) 

        RESISTANCE SPECIFICATION

        Tester Connection Specified Condition
        2A-6 or MREL (A5-13) - Body ground 10 kΩ or higher
        Fig 11: Identifying A5 ECM Connector
        G04054877Courtesy of © TOYOTA, LICENSE AGREEMENT TMS1002
    2. Check the harness and the connectors between the integration relay and body ground.
      1. Remove the integration relay from the engine room J/B and R/B No. 2.
      2. Measure the resistance according to the value(s) in the table below.

        Standard resistance (Check for open) 

        RESISTANCE SPECIFICATION

        Tester Connection Specified Condition
        2A-7 - Body ground Below 1 Ω

    NG : REPAIR OR REPLACE HARNESS OR CONNECTOR 

    OK : CHECK AND REPAIR HARNESS AND CONNECTOR (TERMINAL +B OF ECM - BATTERY POSITIVE TERMINAL)