LEMON Manuals: Even more car manuals for everyone
Home >> Lexus >> 2006 >> IS 350 >> Repair and Diagnosis (Single Page) >> Electrical >> Body Electrical >> OEM System Circuits >> Remote Control Mirror with Memory >> Notes

Remote Control Mirror with Memory: Notes

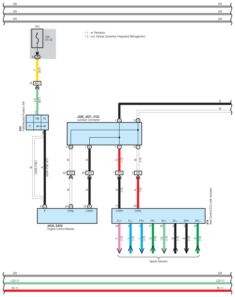
Fig 1: Remote Control Mirror With Memory - Wiring Diagram (1 Of 6)
G08927378Courtesy of © TOYOTA, LICENSE AGREEMENT TMS1002
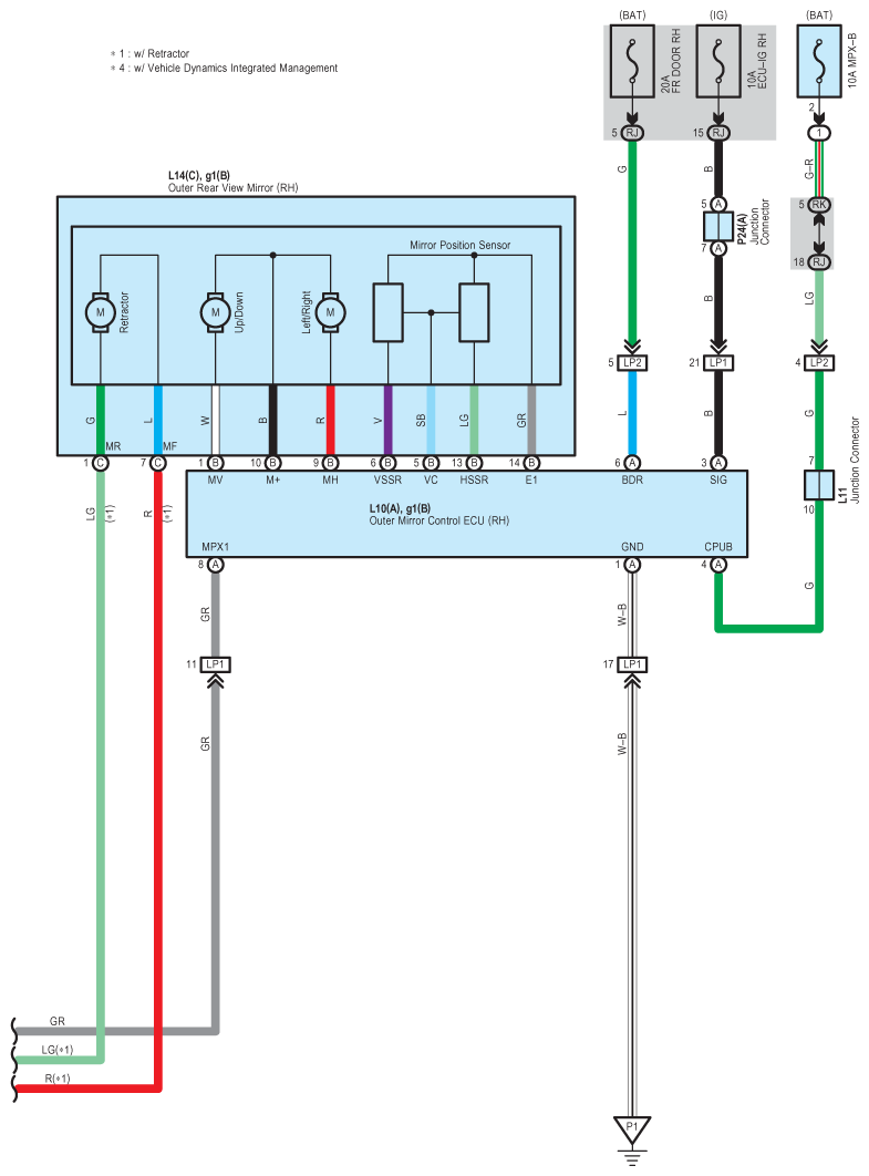
Fig 2: Remote Control Mirror With Memory - Wiring Diagram (2 Of 6)
G08927379Courtesy of © TOYOTA, LICENSE AGREEMENT TMS1002
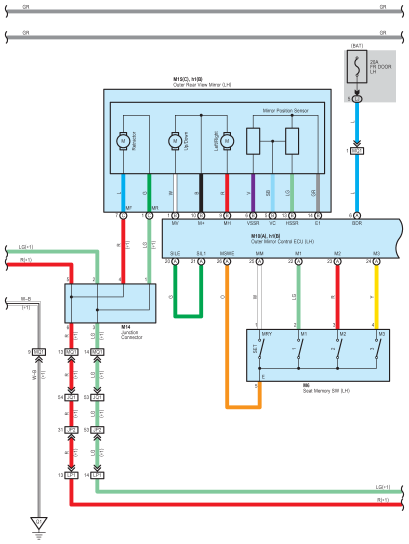
Fig 3: Remote Control Mirror With Memory - Wiring Diagram (3 Of 6)
G08927380Courtesy of © TOYOTA, LICENSE AGREEMENT TMS1002
Fig 4: Remote Control Mirror With Memory - Wiring Diagram (4 Of 6)
G08927381Courtesy of © TOYOTA, LICENSE AGREEMENT TMS1002
Fig 5: Remote Control Mirror With Memory - Wiring Diagram (5 Of 6)
G08927382Courtesy of © TOYOTA, LICENSE AGREEMENT TMS1002
Fig 6: Remote Control Mirror With Memory - Wiring Diagram (6 Of 6)
G08927383Courtesy of © TOYOTA, LICENSE AGREEMENT TMS1002