LEMON Manuals: Even more car manuals for everyone
Home >> Lexus >> 2006 >> IS 250 RWD, Automatic >> Repair and Diagnosis >> Engine Performance >> Remove, Overhaul & Install >> Engine Control System (4GR-FSE) - SFI System Diagnostic And Troubleshooting Introduction, Parts Location, System Diagram, Terminals Of ECM, Diagnostic Trouble Code Chart >> SFI System >> System Diagram

System Diagram

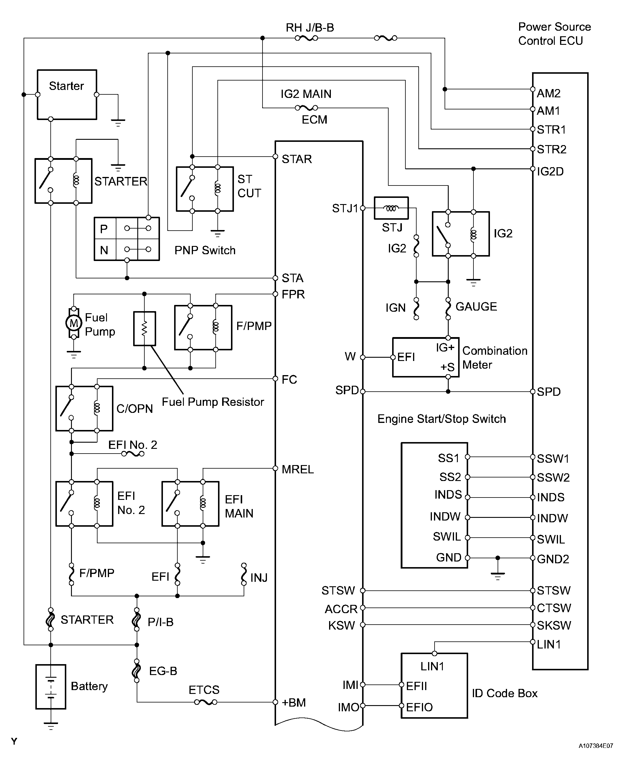
Fig 1: SFI System Diagram (1 Of 5)
G04043443Courtesy of © TOYOTA, LICENSE AGREEMENT TMS1002
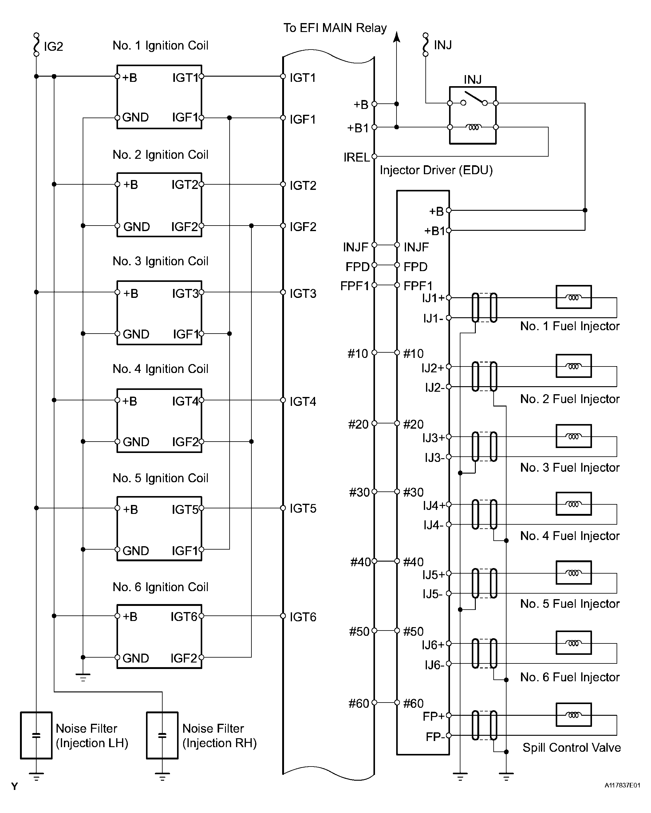
Fig 2: SFI System Diagram (2 Of 5)
G04043444Courtesy of © TOYOTA, LICENSE AGREEMENT TMS1002
Fig 3: SFI System Diagram (3 Of 5)
G04043445Courtesy of © TOYOTA, LICENSE AGREEMENT TMS1002
Fig 4: SFI System Diagram (4 Of 5)
G04043446Courtesy of © TOYOTA, LICENSE AGREEMENT TMS1002
Fig 5: SFI System Diagram (5 Of 5)
G04043447Courtesy of © TOYOTA, LICENSE AGREEMENT TMS1002