LEMON Manuals: Even more car manuals for everyone
Home >> Lexus >> 2006 >> IS 250 AWD >> Repair and Diagnosis (Single Page) >> Electrical >> Body Electrical >> OEM System Circuits >> Charging >> Notes

OEM System Circuits: Charging: Notes

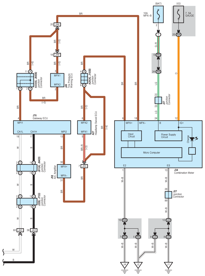
Fig 1: Charging - Wiring Diagram (1 Of 2)
G08927091Courtesy of © TOYOTA, LICENSE AGREEMENT TMS1002
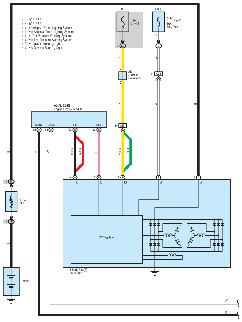
Fig 2: Charging - Wiring Diagram (2 Of 2)
G08927092Courtesy of © TOYOTA, LICENSE AGREEMENT TMS1002