LEMON Manuals: Even more car manuals for everyone
Home >> Lexus >> 2006 >> GS 430 >> Repair and Diagnosis >> Engine Performance >> System >> Engine Control System (3UZ-FE) >> SFI System >> System Diagram

System Diagram

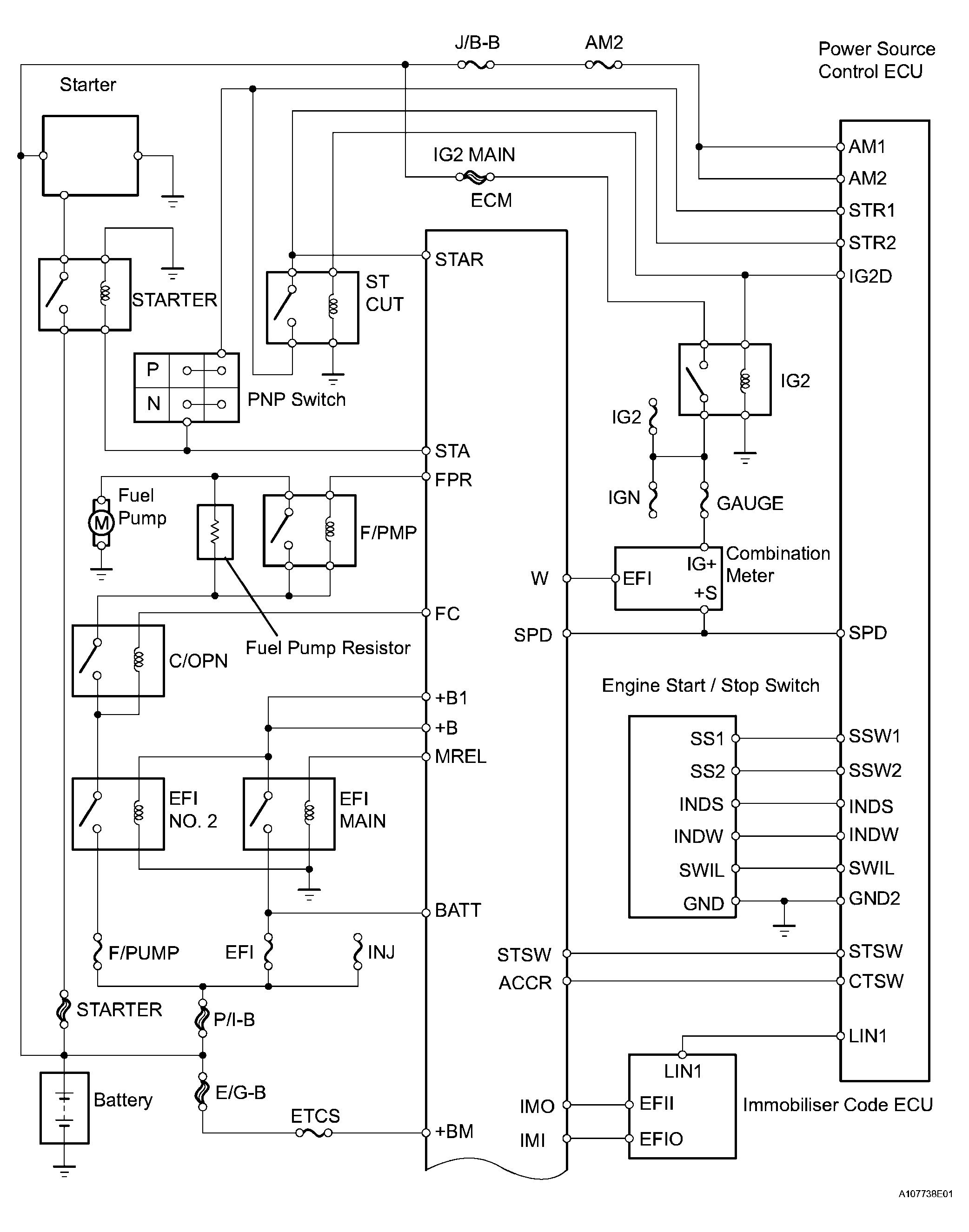
Fig 1: Identifying System Diagram (1 Of 5)
G04026763Courtesy of © TOYOTA, LICENSE AGREEMENT TMS1002
Fig 2: Identifying System Diagram (2 Of 5)
G04026764Courtesy of © TOYOTA, LICENSE AGREEMENT TMS1002
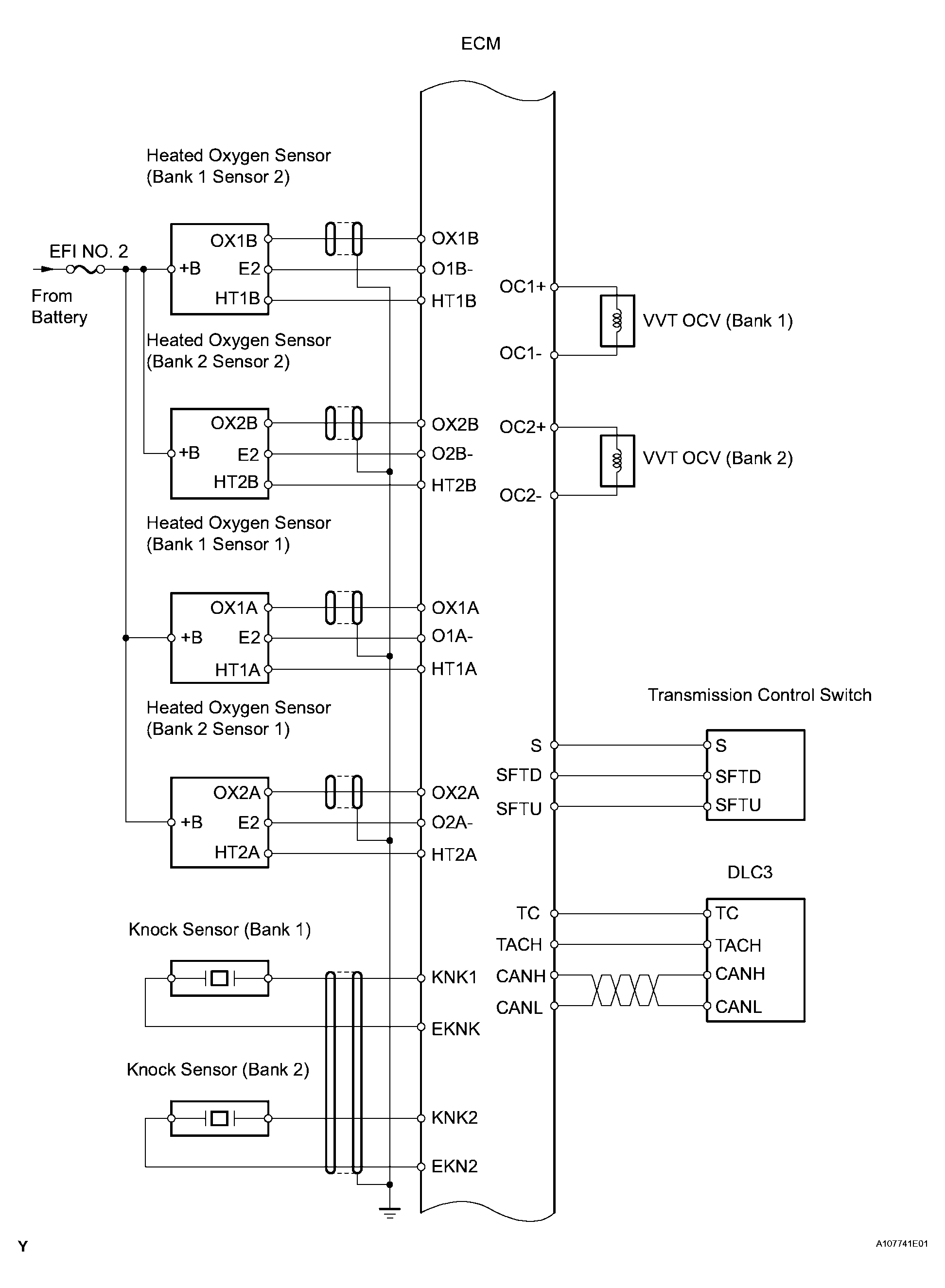
Fig 3: Identifying System Diagram (3 Of 5)
G04026765Courtesy of © TOYOTA, LICENSE AGREEMENT TMS1002
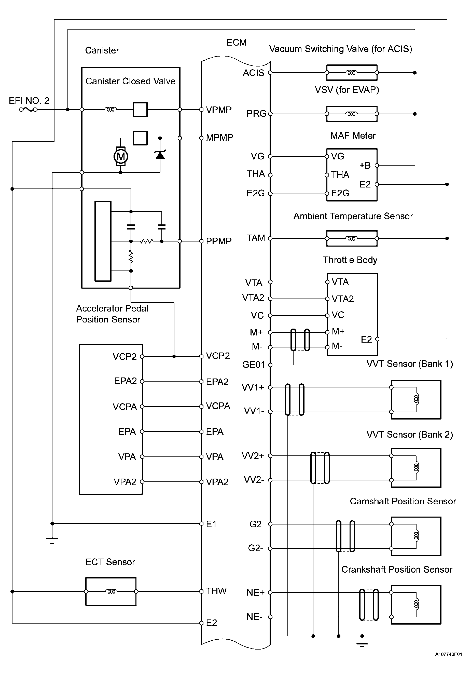
Fig 4: Identifying System Diagram (4 Of 5)
G04026766Courtesy of © TOYOTA, LICENSE AGREEMENT TMS1002
Fig 5: Identifying System Diagram (5 Of 5)
G04026767Courtesy of © TOYOTA, LICENSE AGREEMENT TMS1002