LEMON Manuals: Even more car manuals for everyone
Home >> Lexus >> 2006 >> GS 430 >> Repair and Diagnosis >> Engine Performance >> System >> Engine Control System (3UZ-FE) >> SFI System >> DTC P0101 Mass Air Flow Circuit Range / Performance Problem >> Wiring Diagram

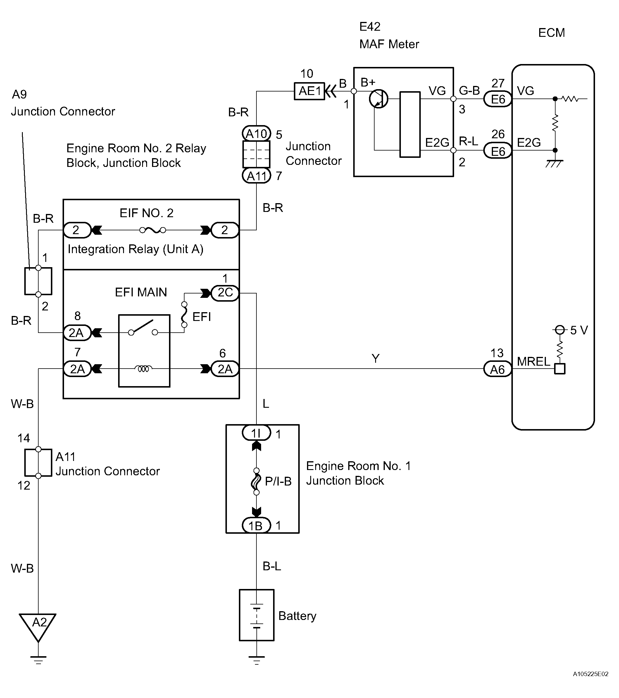
DTC P0101 Mass Air Flow Circuit Range / Performance Problem: Wiring Diagram

Fig 1: Identifying Wiring Diagram
G04026828Courtesy of © TOYOTA, LICENSE AGREEMENT TMS1002

HINT:

Read freeze frame data using the intelligent tester. Freeze frame data records the engine conditions when a malfunction is detected. When troubleshooting, freeze frame data can help determine if the vehicle was running or stopped, if the engine was warmed up or not, if the air-fuel ratio was lean or rich, and other data from the time the malfunction occurred.

  1. CHECK OTHER DTC OUTPUT (IN ADDITION TO DTC P0101) 
    1. Connect the intelligent tester to the CAN VIM. Then connect the CAN VIM to the DLC3.
    2. Enter the following menus: DIAGNOSIS / ENHANCED OBD II / DTC INFO / CURRENT CODES.
    3. Read the DTCs.

      Result 

      DIAGNOSTIC TROUBLE CODE CHART

      Display (DTC output) Proceed to
      P0101 and other codes are output A
      Only P0101 is output B

    B : REPLACE MASS AIR FLOW METER 

    A : GO TO  RELEVANT DTC CHART