LEMON Manuals: Even more car manuals for everyone
Home >> Lexus >> 2006 >> ES 330 >> Repair and Diagnosis (Single Page) >> Electrical >> Body Electrical >> OEM System Circuits >> Power Source >> Notes

Power Source: Notes

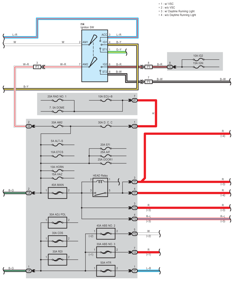
Fig 1: Power Source - Wiring Diagram (1 Of 3)
G08929984Courtesy of © TOYOTA, LICENSE AGREEMENT TMS1002
Fig 2: Power Source - Wiring Diagram (2 Of 3)
G08929985Courtesy of © TOYOTA, LICENSE AGREEMENT TMS1002
Fig 3: Power Source - Wiring Diagram (3 Of 3)
G08929986Courtesy of © TOYOTA, LICENSE AGREEMENT TMS1002