LEMON Manuals: Even more car manuals for everyone
Home >> Lexus >> 2006 >> ES 330 >> Repair and Diagnosis (Single Page) >> Electrical >> Body Electrical >> OEM System Circuits >> Headlight Beam Level Control >> Notes

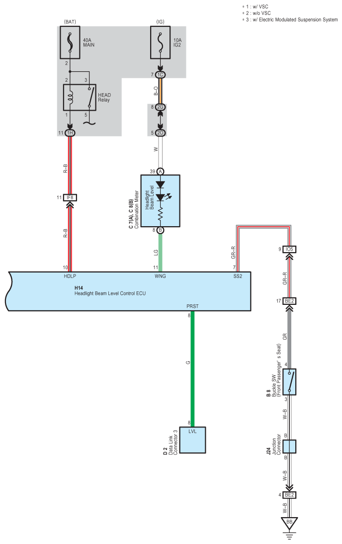
Headlight Beam Level Control: Notes

Fig 1: Headlight Beam Level Control - Wiring Diagram (1 Of 2)
G08930071Courtesy of © TOYOTA, LICENSE AGREEMENT TMS1002
Fig 2: Headlight Beam Level Control - Wiring Diagram (2 Of 2)
G08930072Courtesy of © TOYOTA, LICENSE AGREEMENT TMS1002