LEMON Manuals: Even more car manuals for everyone
Home >> Lexus >> 2005 >> SC 430 >> Repair and Diagnosis (Single Page) >> Accessories & Equipment >> Infotainment >> LEXUS Navigation System - Diagnostics >> Power Source Circuit (Multi-Display) >> Wiring Diagram

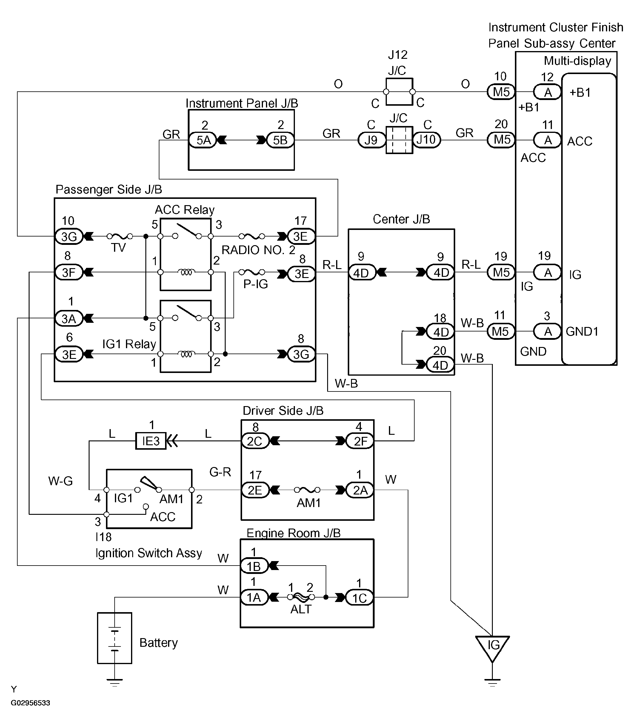
Power Source Circuit (Multi-Display): Wiring Diagram

Fig 1: Power Source Circuit (Multi-Display) Wiring Diagram
G02956533Courtesy of © TOYOTA, LICENSE AGREEMENT TMS1002