LEMON Manuals: Even more car manuals for everyone
Home >> Lexus >> 2005 >> RX 330 AWD >> Repair and Diagnosis >> Body & Frame >> Windows >> Power Window Control System - Diagnostics >> Manual Up/Down Function Does Not Operate On Driver Side >> Wiring Diagram

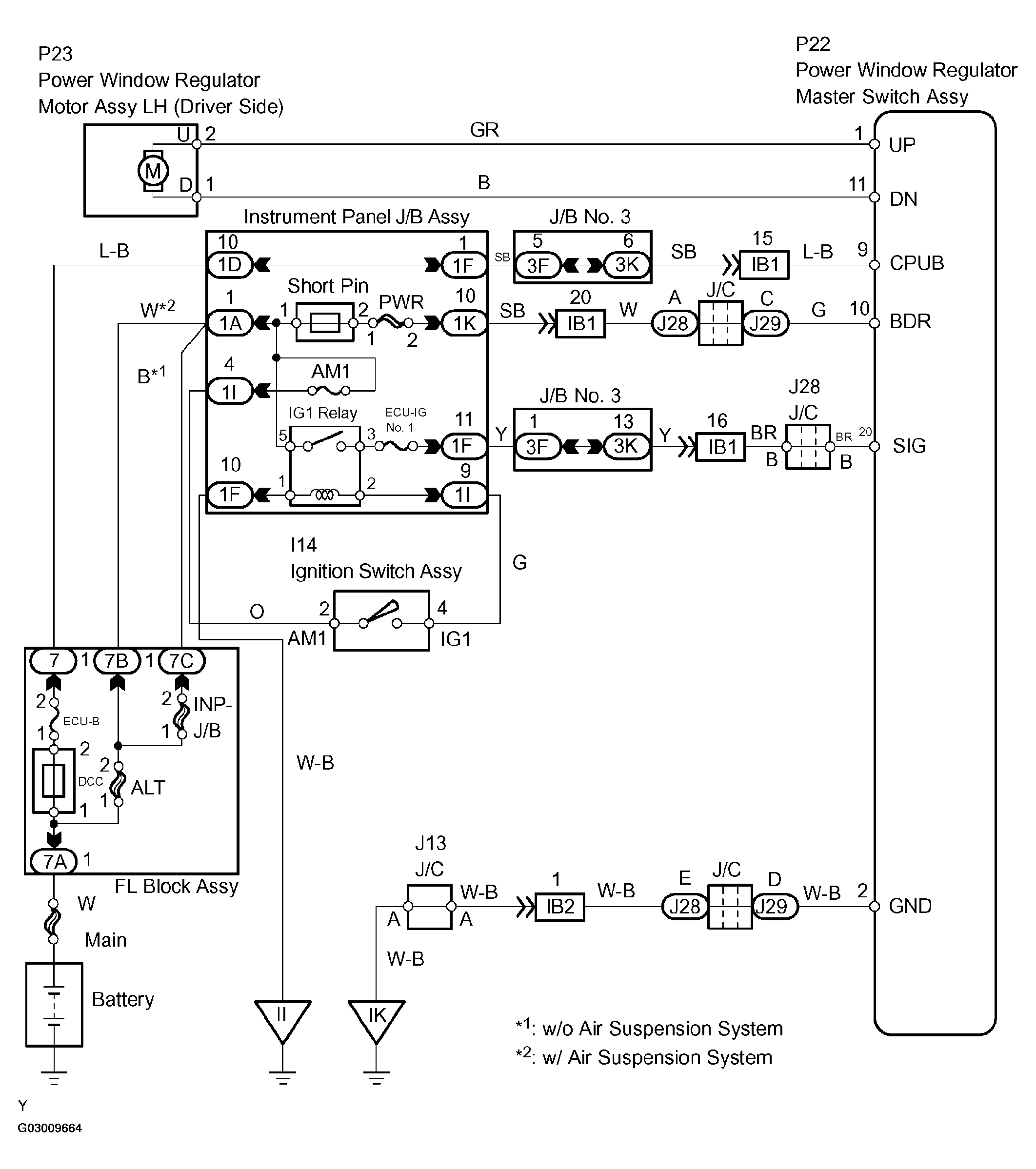
Manual Up/Down Function Does Not Operate On Driver Side: Wiring Diagram

Fig 1: Manual Up/Down Function Does Not Operate On Driver Side Wire Diagram
G03009664Courtesy of © TOYOTA, LICENSE AGREEMENT TMS1002