LEMON Manuals: Even more car manuals for everyone
Home >> Lexus >> 2005 >> LS 430 >> Repair and Diagnosis >> Body & Frame >> Windows >> Power Window Control System - Diagnostics >> Power Window Regulator Master Switch Circuit (Driver Side) >> Wiring Diagram

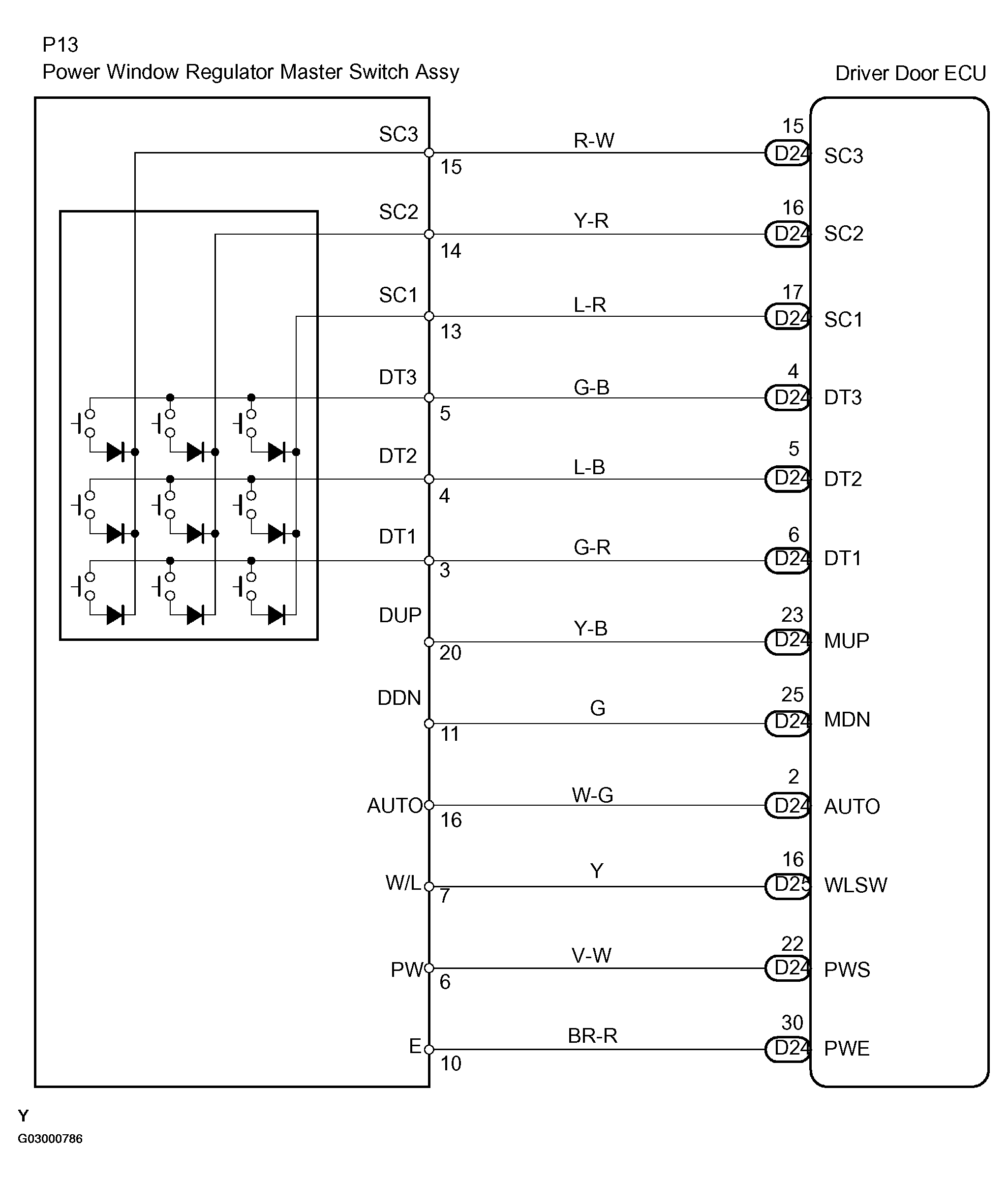
Power Window Regulator Master Switch Circuit (Driver Side): Wiring Diagram

Fig 1: Power Window Regulator Master Switch Circuit Wiring Diagram (Driver Side)
G03000786Courtesy of © TOYOTA, LICENSE AGREEMENT TMS1002