LEMON Manuals: Even more car manuals for everyone
Home >> Lexus >> 2005 >> LS 430 >> Repair and Diagnosis (Single Page) >> Body & Frame >> Windows >> Windshield/WINDOWGLASS/Mirror >> Window Defogger System >> System Diagram >> Notes

System Diagram: Notes

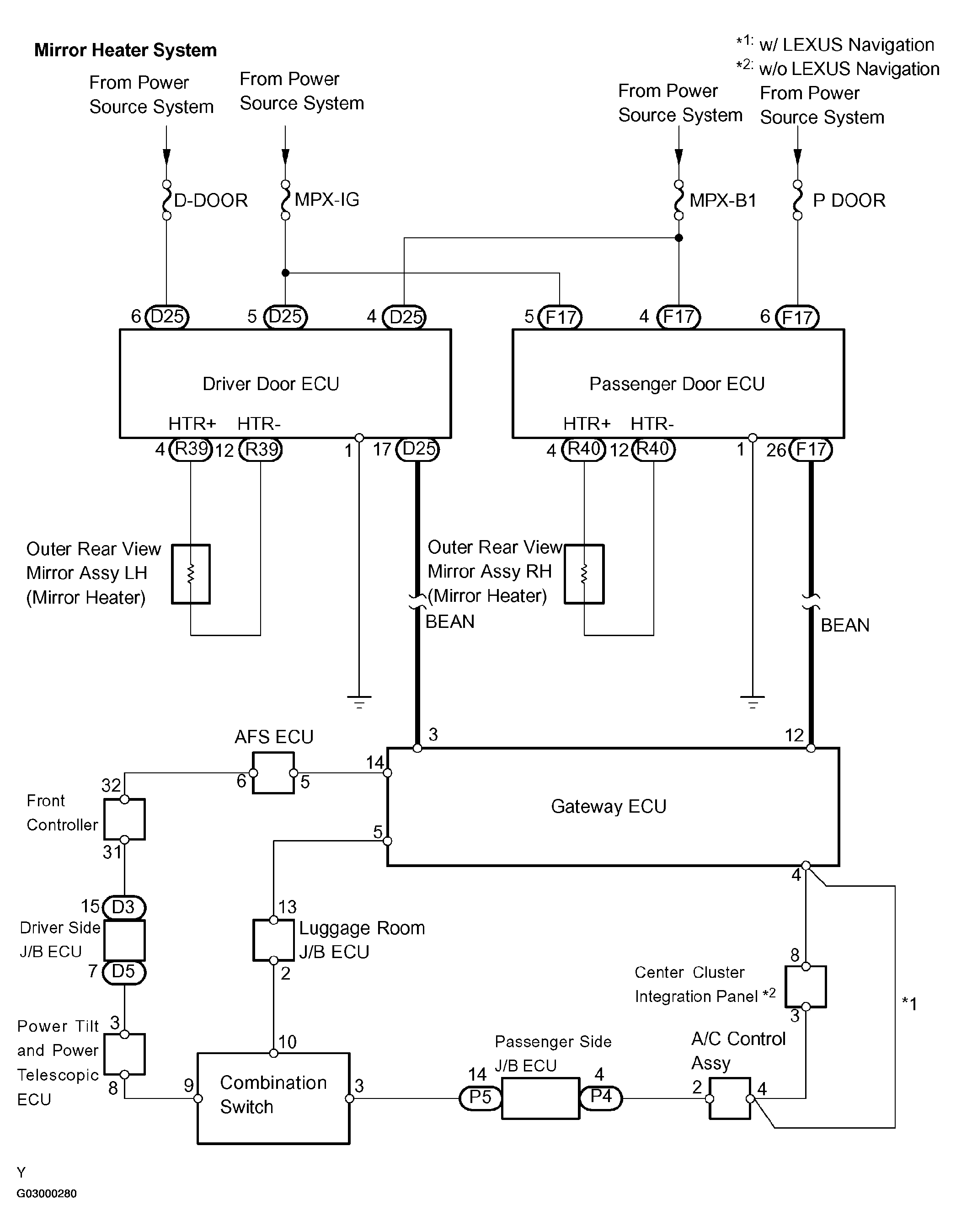
Fig 1: Defogger System Diagram
G03000279Courtesy of © TOYOTA, LICENSE AGREEMENT TMS1002
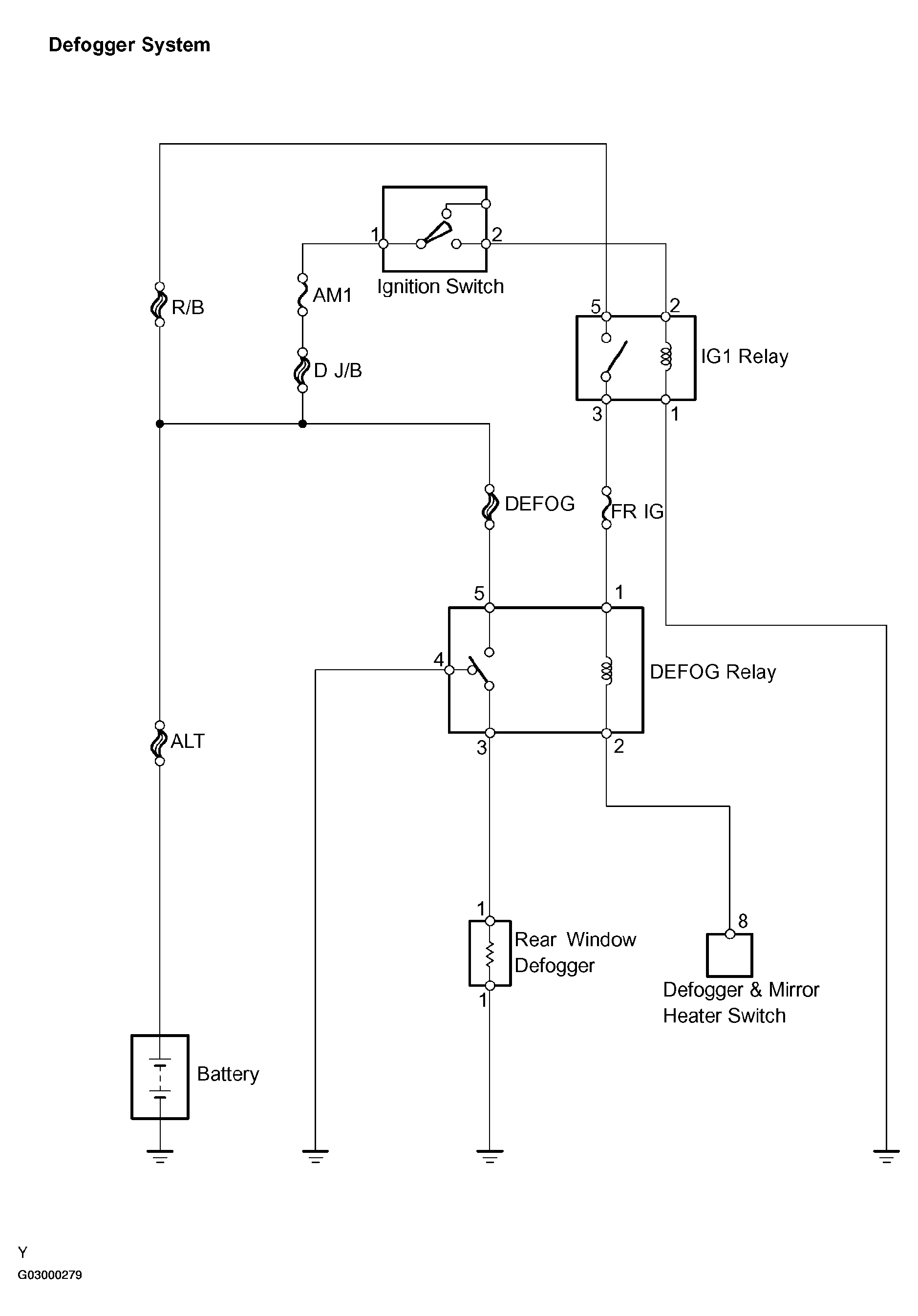
Fig 2: Mirror Heater System Diagram
G03000280Courtesy of © TOYOTA, LICENSE AGREEMENT TMS1002