LEMON Manuals: Even more car manuals for everyone
Home >> Lexus >> 2005 >> LS 430 >> Repair and Diagnosis (Single Page) >> Body & Frame >> Windows >> Windshield/WINDOWGLASS/Mirror >> Power Mirror Control System >> System Diagram

System Diagram

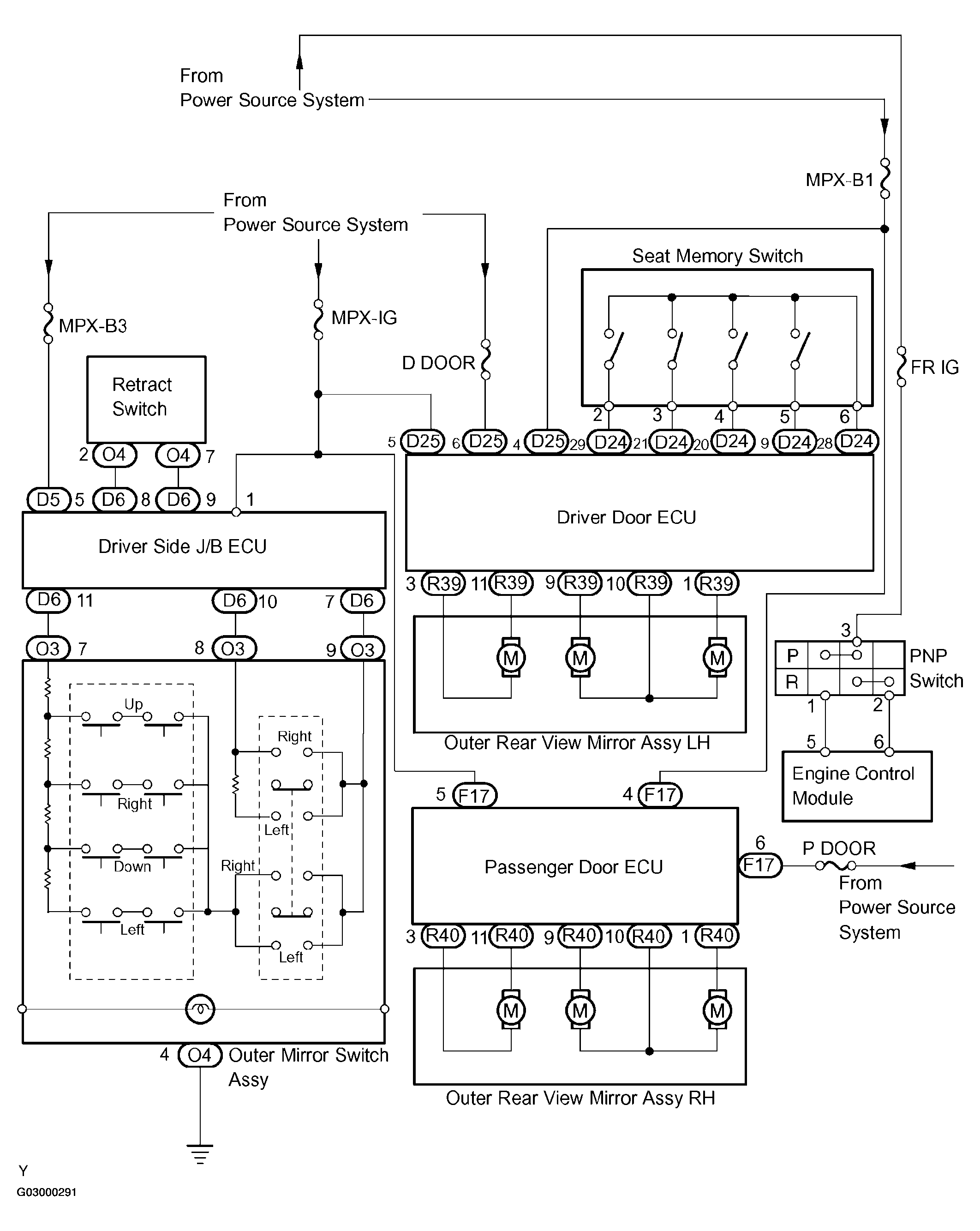
Fig 1: Power Mirror Control System Diagram
G03000291Courtesy of © TOYOTA, LICENSE AGREEMENT TMS1002