LEMON Manuals: Even more car manuals for everyone
Home >> Lexus >> 2005 >> LS 430 >> Repair and Diagnosis (Single Page) >> Accessories & Equipment >> Anti-Theft Systems >> Wireless Door Lock Control System (W/O Smart Key) - Diagnostics >> Wireless Door Lock Control System (w/ Smart Key System) >> Ecu Power Source Circuit >> Wiring Diagram

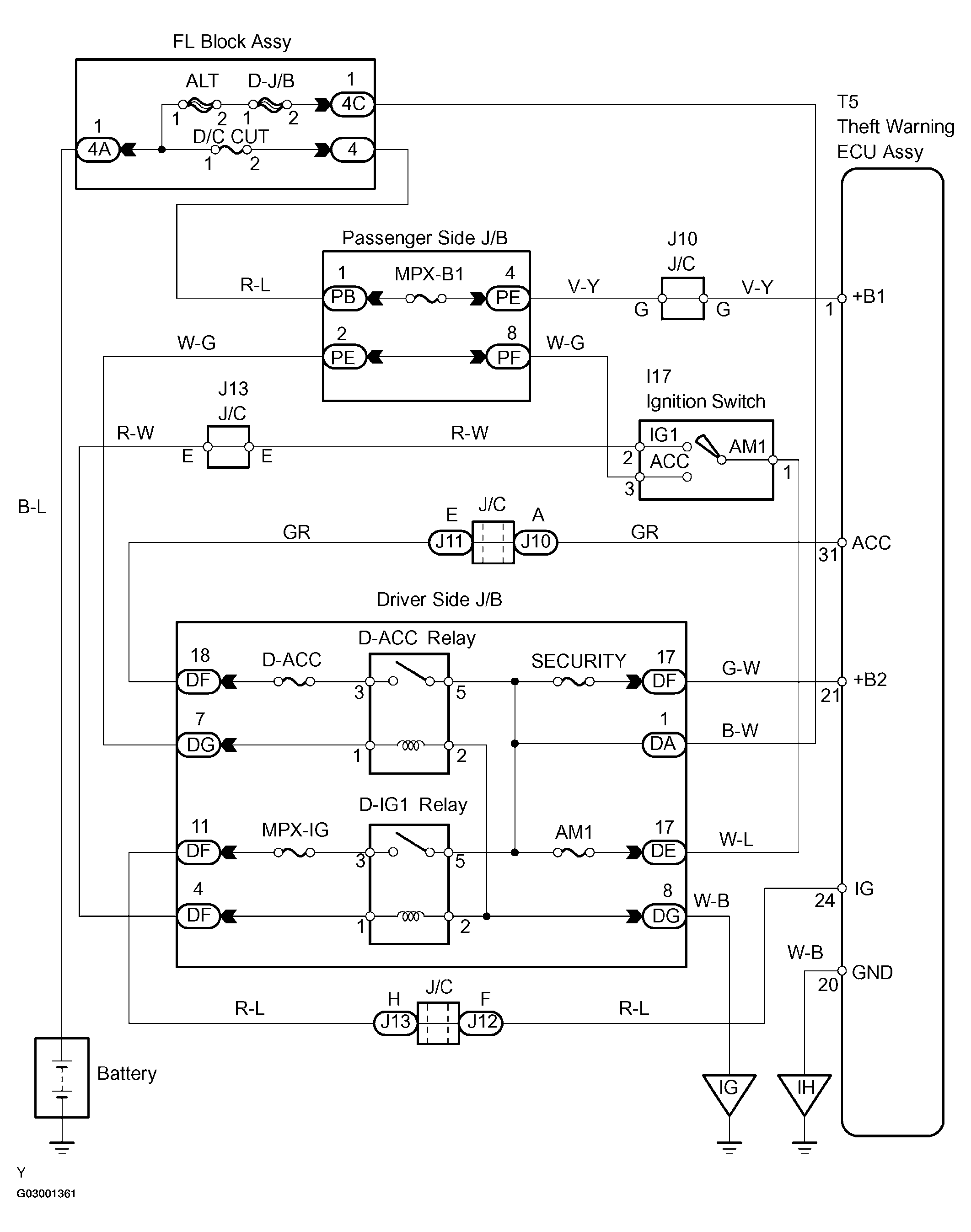
Ecu Power Source Circuit: Wiring Diagram

Fig 1: ECU Power Source Wiring Diagram
G03001361Courtesy of © TOYOTA, LICENSE AGREEMENT TMS1002