LEMON Manuals: Even more car manuals for everyone
Home >> Lexus >> 2005 >> GX 470 >> Repair and Diagnosis >> Body & Frame >> Windows >> Power Window Control System - Diagnostics >> Manual Up/Down Function Does Not Operate At Passenger Side >> Wiring Diagram

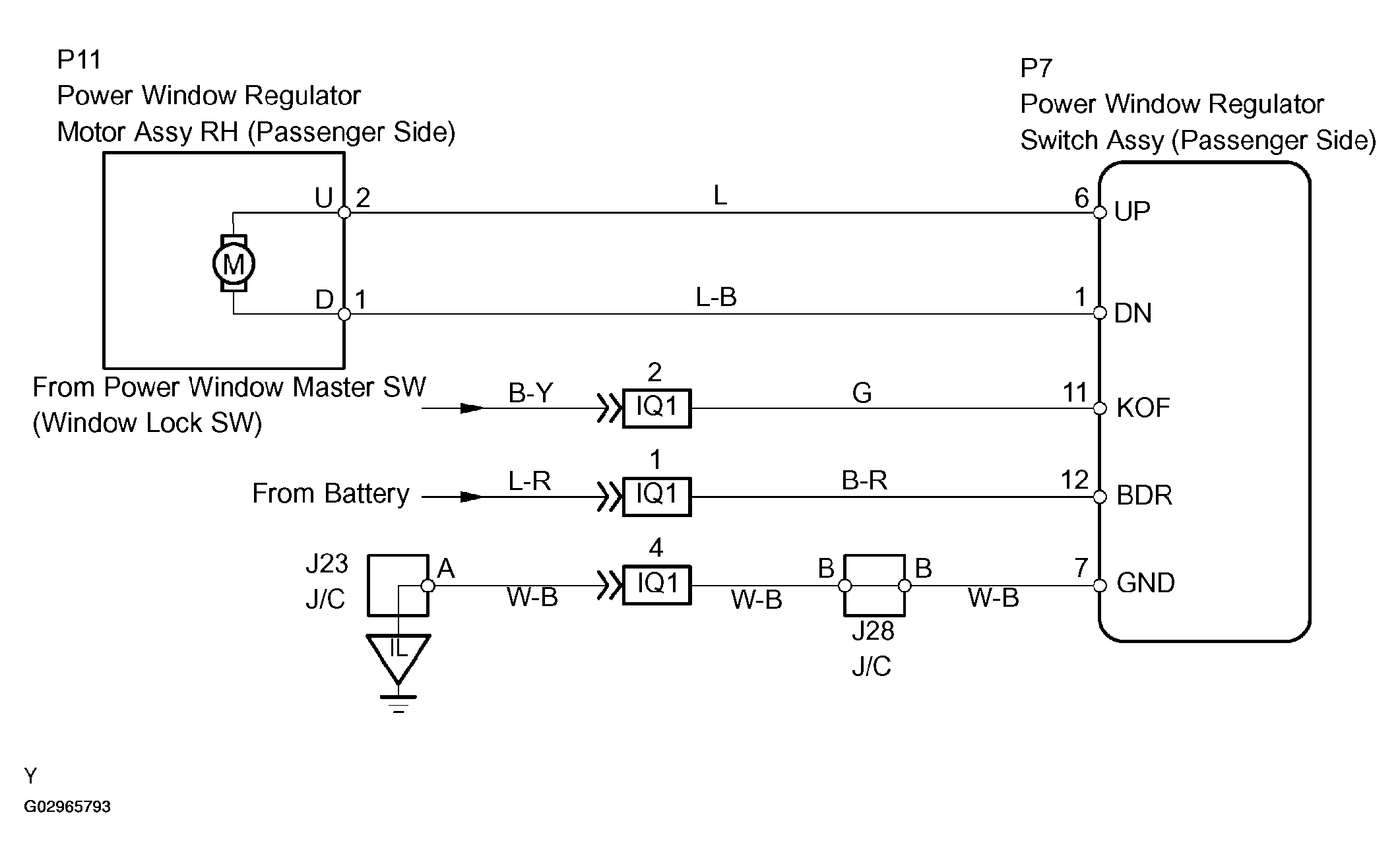
Manual Up/Down Function Does Not Operate At Passenger Side: Wiring Diagram

Fig 1: Manual Up/Down Function Does Not Operate At Passenger Side Wiring Diagram
G02965793Courtesy of © TOYOTA, LICENSE AGREEMENT TMS1002