LEMON Manuals: Even more car manuals for everyone
Home >> Lexus >> 2005 >> ES 330 >> Repair and Diagnosis (Single Page) >> Body & Frame >> Seats >> Front Power Seat Control System (W/Memory) - Diagnostics >> Park/Neutral Position Switch Circuit >> Circuit Description

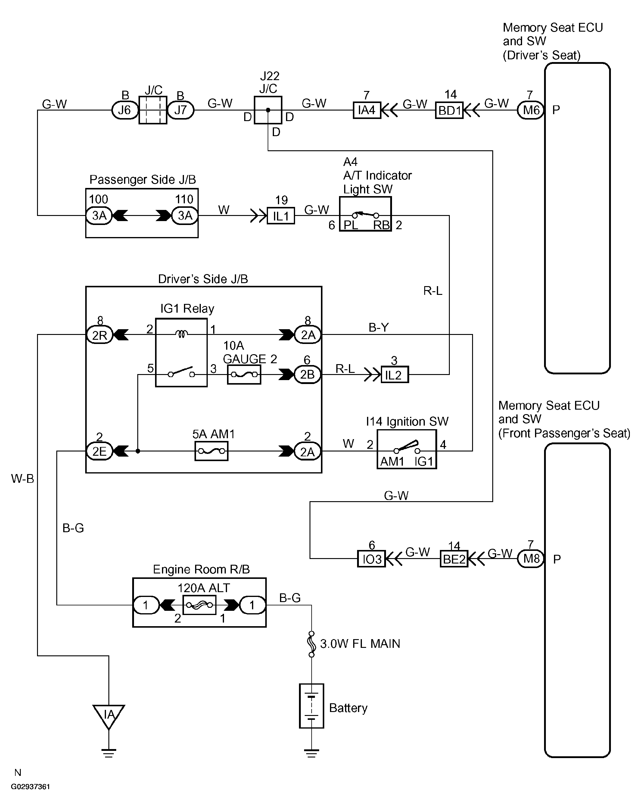
Circuit Description

Power seat memory system operates only when the ignition switch is in the ON position and the shift position is in the P position.

The front power seat switch (memory seat ECU and SW) detects the P position through the park/neutral position switch.

Fig 1: Parking / Neutral Position Circuit Diagram
G02937361Courtesy of © TOYOTA, LICENSE AGREEMENT TMS1002