LEMON Manuals: Even more car manuals for everyone
Home >> Lexus >> 2005 >> ES 330 >> Repair and Diagnosis (Single Page) >> Body & Frame >> Seats >> Front Power Seat Control System (W/Memory) - Diagnostics >> Memory Switch Circuit >> Wiring Diagram

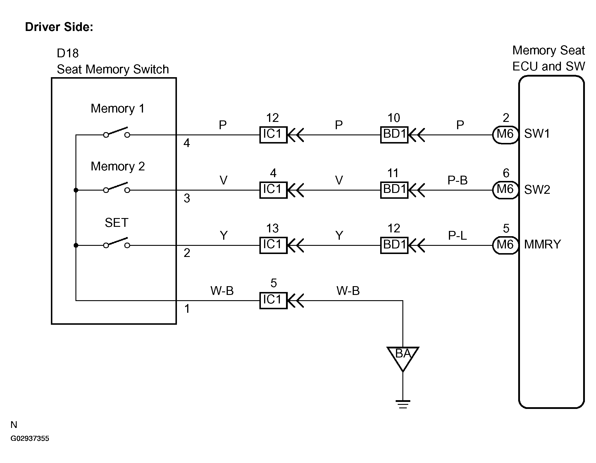
Memory Switch Circuit: Wiring Diagram

Fig 1: Memory Switch Circuit Diagram
G02937355Courtesy of © TOYOTA, LICENSE AGREEMENT TMS1002
Fig 2: Memory Switch Circuit Diagram
G02937356Courtesy of © TOYOTA, LICENSE AGREEMENT TMS1002