LEMON Manuals: Even more car manuals for everyone
Home >> Lexus >> 2004 >> SC 430 >> Repair and Diagnosis >> External Pages >> Different car >> Section 46 (Engine Controls - System & Component Testing) >> Computerized Engine Controls >> Cranking Hold Function Circuit >> Diagnosis & Repair (With OBD II Scan Tool)

Diagnosis & Repair (With OBD II Scan Tool)

WARNING: This page is about a different car, the 2003 Lexus LX 470. However, it is still accessible from the selected car via links, so may be relevant.

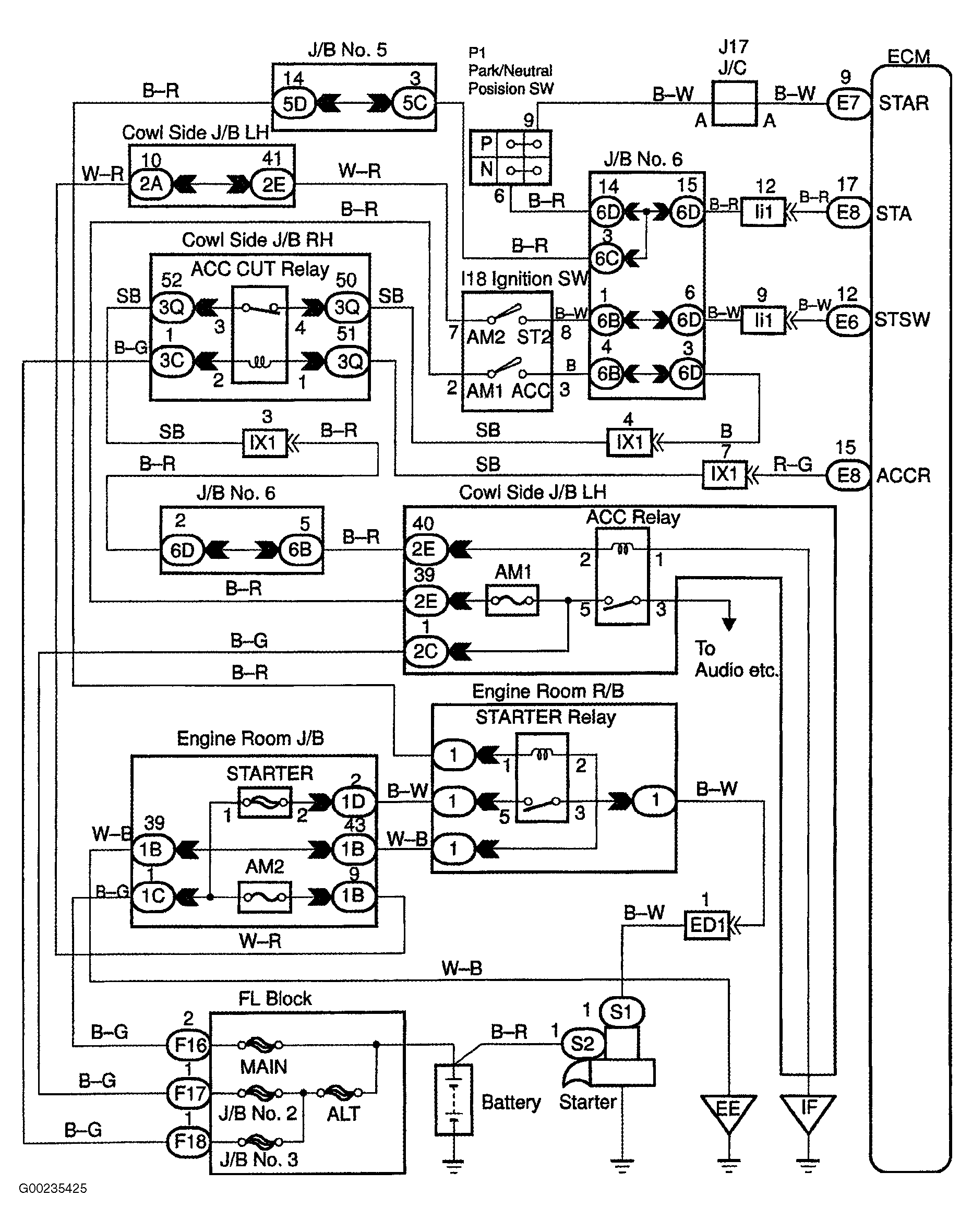
For wiring diagram, see Figure. For diagnosis and repair, see Fig 1-Fig 3 .

Fig 1: Diagnosis & Repair Of Cranking Hold Function Circuit (Step 1-3)
G00235429Courtesy of © TOYOTA, LICENSE AGREEMENT TMS1002
Fig 2: Diagnosis & Repair Of Cranking Hold Function Circuit (Step 4-6)
G00235430Courtesy of © TOYOTA, LICENSE AGREEMENT TMS1002
Fig 3: Diagnosis & Repair Of Cranking Hold Function Circuit (Step 7-8)
G00235431Courtesy of © TOYOTA, LICENSE AGREEMENT TMS1002