LEMON Manuals: Even more car manuals for everyone
Home >> Lexus >> 2004 >> SC 430 >> Repair and Diagnosis >> External Pages >> Different car >> Section 455 (Power Mirror Control System) >> System Diagram

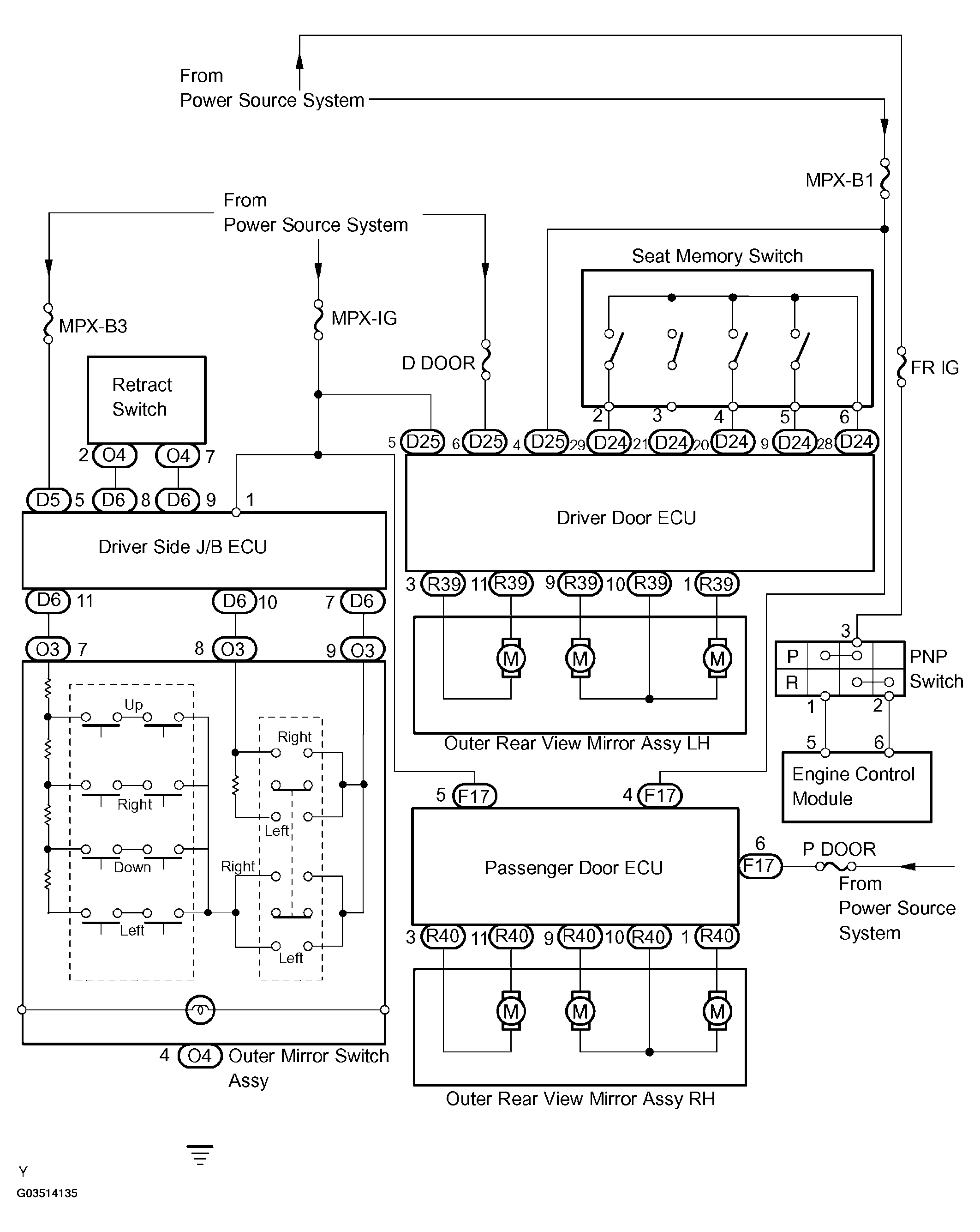
System Diagram

WARNING: This page is about a different car, the 2004 Lexus LS 430. However, it is still accessible from the selected car via links, so may be relevant.
Fig 1: Power Mirror Control System Diagram
G03514135Courtesy of © TOYOTA, LICENSE AGREEMENT TMS1002