LEMON Manuals: Even more car manuals for everyone
Home >> Lexus >> 2004 >> SC 430 >> Repair and Diagnosis >> Brakes >> Traction Control >> Anti-Lock Brake System >> System Testing >> Test E: Brake Warning Light Circuit >> Testing Procedure

Testing Procedure

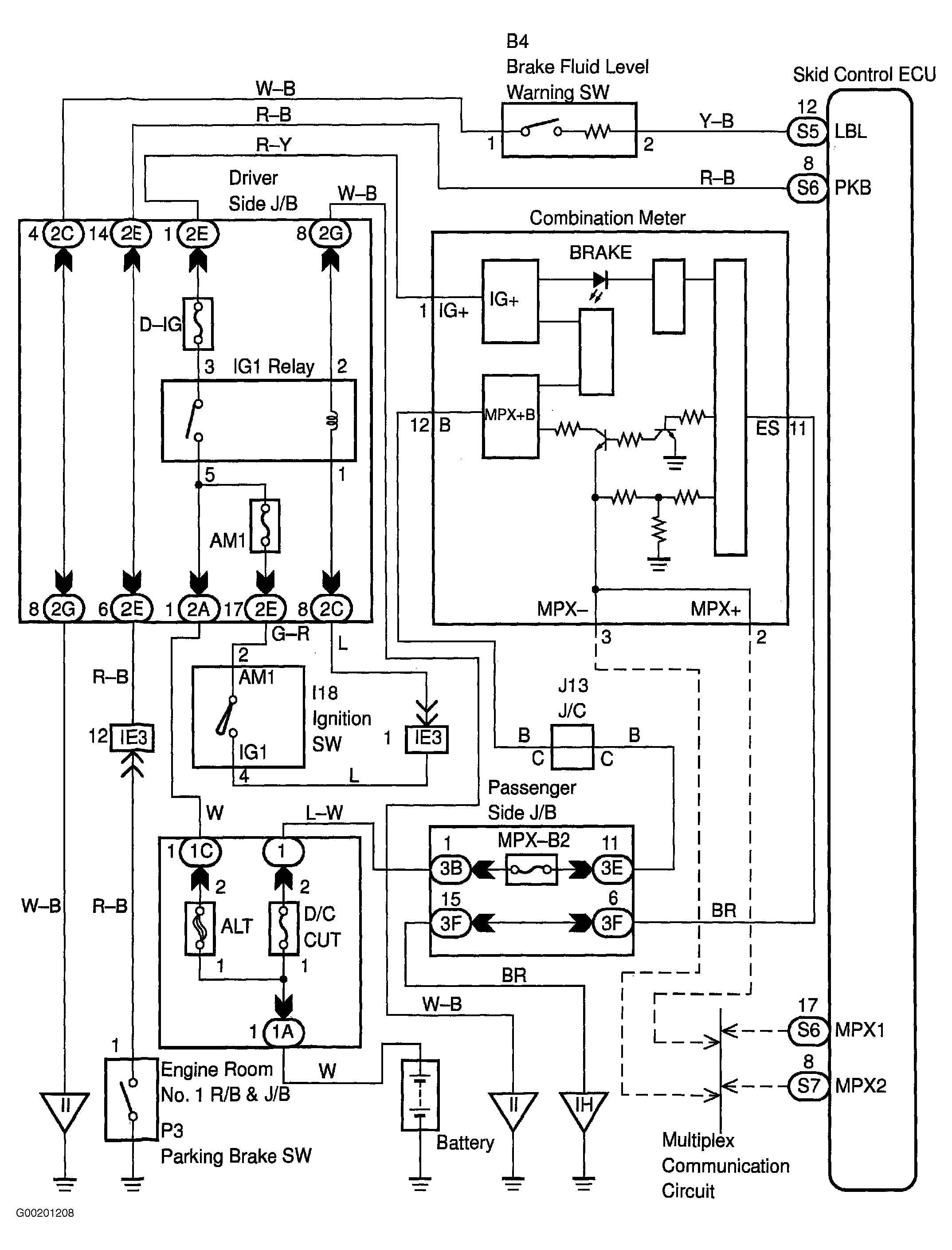
For wiring diagram see Fig 1. For testing procedure see Fig 2 and Fig 3 .

Fig 1: Wiring Diagram Brake Warning Light Circuit
G00201208Courtesy of © TOYOTA, LICENSE AGREEMENT TMS1002
Fig 2: Testing Procedure BRAKE Warning Light Circuit (1 Of 2)
G00201209Courtesy of © TOYOTA, LICENSE AGREEMENT TMS1002
Fig 3: Testing Procedure BRAKE Warning Light Circuit (2 Of 2)
G00201210Courtesy of © TOYOTA, LICENSE AGREEMENT TMS1002