LEMON Manuals: Even more car manuals for everyone
Home >> Lexus >> 2004 >> SC 430 >> Repair and Diagnosis (Single Page) >> Brakes >> Traction Control >> Anti-Lock Brake System >> System Testing >> Test J: VSC Off Indicator Light, VSC Off Switch Circuit >> Testing Procedure

Testing Procedure

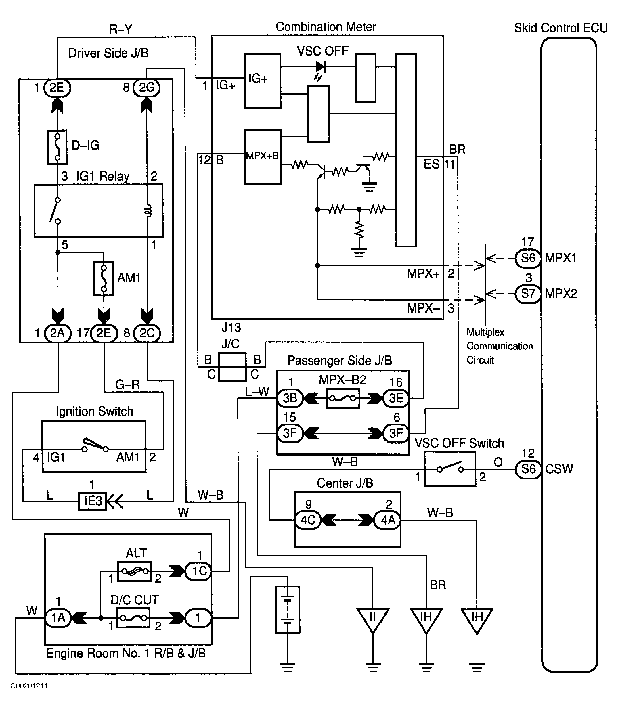
For wiring diagram see Fig 1. For testing procedure see Fig 2 and Fig 3 .

Fig 1: Wiring Diagram VSC OFF Indicator Light & Switch Circuit
G00201211Courtesy of © TOYOTA, LICENSE AGREEMENT TMS1002
Fig 2: Testing Procedure VSC OFF Circuit (1 Of 2)
G00201212Courtesy of © TOYOTA, LICENSE AGREEMENT TMS1002
Fig 3: Testing Procedure VSC OFF Circuit (2 Of 2)
G00201213Courtesy of © TOYOTA, LICENSE AGREEMENT TMS1002